Foram encontradas 50 questões.
O texto e a figura seguintes referem-se às questões de números 40 e 41.
Considere o sistema seguinte formado por duas polias ligadas por uma correia, sendo que os pontos de contato da correia com as polias formam um ângulo δ em relação aos eixos imaginários verticais.
O comprimento da correia é, aproximadamente,
Provas
- Transformadores e Máquinas ElétricasPrincípios BásicosCircuitos equivalentes e circuitos magnéticos
- Transformadores e Máquinas ElétricasPrincípios BásicosPerdas, rendimento, torque, potência, ângulo de potência e funcionamento geral
Considere o transformador ideal abaixo com 500 espiras no enrolamento primário e 100 espiras no enrolamento secundário.

Provas
Analise a peça abaixo, apresentada em perspectiva e em suas vistas frontal e superior.

Provas
A figura abaixo representa, de forma esquemática, um motor de indução monofásico, em que RT e RA representam, respectivamente, as resistências dos enrolamentos de trabalho e auxiliar.


Provas
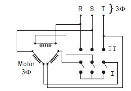
O esquema abaixo representa um sistema de partida de um motor de indução trifásico.

Com base na análise desse esquema, assinale a alternativa que completa corretamente as lacunas da afirmação abaixo.
"Ligando-se a chave tripolar inicialmente na posição I, os enrolamentos do motor estarão na configuração ......, de modo que a tensão de fase aplicada a eles será ...... da tensão de linha, resultando em um torque de partida de, aproximadamente, ...... do torque à plena tensão. Ao mudar a chave tripolar para a posição II, os enrolamentos do motor passarão para a configuração ......, de modo que eles ficarão submetidos à tensão da linha."Provas
- Transformadores e Máquinas ElétricasPrincípios BásicosPerdas, rendimento, torque, potência, ângulo de potência e funcionamento geral
- Transformadores e Máquinas ElétricasMáquinas AssíncronasCaracterística Torque-escorregamento-corrente
Para medir o escorregamento de um motor de indução de 6 pólos, foi utilizado o método estrobostrópico, conforme o esquema abaixo.

Nesse método, o tubo de xenônio emite pulsos de luz sincronizados com a freqüência da linha de alimentação do estator do motor, incidindo sobre o disco composto por seis setores pretos espaçados de 60° entre si e fixados no rotor do motor.
Ao fazer o experimento, obteve-se o fenômeno óptico de que um setor preto do disco estava girando em sentido oposto ao de rotação do motor e, em um minuto, contouse 60 voltas aparentes desse setor preto.
A velocidade síncrona do motor (ns) é dada por (120.f/p), em que f é a freqüência da corrente na linha e p é o número de pólos do motor.
Com base nessas informações, pode-se afirmar que o escorregamento desse motor, em percentual, é
Provas
Por meio de um experimento de calorimetria, um estudante pretende determinar o calor específico de uma substância usando a relação Q = m.c.Δt, em que Q é a quantidade de calor, m é a massa, c é o calor específico e Δt é a variação da temperatura.
Para tanto, ele utilizou 750 g da substância, fazendo a sua temperatura variar de 20ºC para 80ºC, sendo que os recursos do laboratório possibilitaram determinar que a quantidade de calor envolvida no processo era de 0,06 kcal.
Sabendo-se que 1 cal = 4,1868 J e t(ºC) = T (K) − 273,15, o valor aproximado do calor específico dessa substância, em J/kg.K, a que o estudante chegou é
Provas
Sabendo-se que resistência R é a relação entre tensão e corrente e que capacitância C é a relação entre carga elétrica e tensão, a unidade de medida do produto R.C é
Provas
Um transformador fornece em sua saída uma tensão dada pela forma de onda abaixo.

Provas

As correntes I1, I2 e I3 são, respectivamente,
Provas
Caderno Container