Foram encontradas 59 questões.
Atenção: Para responder às questões de números 31 e 32 considere a figura que representa uma fôrma de concreto.

Com relação às lajes,
Provas
Atenção: Para responder às questões de números 31 e 32 considere a figura que representa uma fôrma de concreto.

Com relação às vigas,
Provas
Ao iniciar-se a construção de um edifício escolar em uma cidade do interior em terreno retangular de 50 × 40 m, em loteamento novo com apenas a demarcação dos lotes, é necessário demarcar o lote para a instalação do canteiro. A trena fornece os lados, enquanto os ângulos são determinados por triangulação.

As diagonais 1 e 2 devem medir, em metros, respectivamente e aproximadamente,
Provas
Considere a convenção topográfica abaixo.

Ela representa:
Provas
Observe a figura abaixo.

Ela representa:
Provas
Observe os símbolos abaixo.

Eles representam, respectivamente,
Provas
Para receber a água dos vasos sanitários é recomendável o uso de
Provas
Observe os símbolos abaixo.

Eles representam, respectivamente,
Provas
Atenção: Para responder às questões de números 23 e 24, considere a planta do pavimento abaixo.

Os elementos 3 , 4 e 5 representam, respectivamente,
Provas
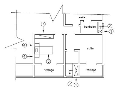
Atenção: Para responder às questões de números 23 e 24, considere a planta do pavimento abaixo.

Os elementos 1 e 2 são, respectivamente,
Provas
Caderno Container