Foram encontradas 59 questões.
A função dos comandos Stretch, Fillet, e Offset no Autocad 2004 é, respectivamente:
Provas
Para criar um novo estilo de dimensões no Autocad 2004, o caminho correto é
Provas
Com o comando line acionado e o units no modo default do Autocad 2004, o comando @25<60 desenhará uma linha de vinte e cinco
Provas
Quanto aos mictórios instalados em canteiro de obra é INCORRETO afirmar que eles devem
Provas
Em um canteiro de obra onde estão previstos 30 trabalhadores, devem estar previstos, pelo menos:
Provas
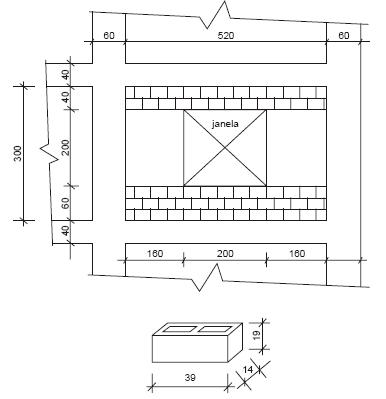
A figura abaixo representa um painel de alvenaria de bloco de concreto de 14 × 39 × 19 cm.

Desenhos sem escala
O número de blocos consumidos e a área, em m2, para efeito de pagamento de mão-de-obra é, respectivamente,
Obs.: - considerar a espessura da argamassa de assentamento igual a 1cm;
- considerar critérios normalmente usados para efeito de medição.
Provas
A figura abaixo mostra uma laje de cobertura corretamente impermeabilizada e isolada termicamente.

Os elementos 1 , 2 , 3 e 4 representam, respectivamente,
Provas
Com relação aos tipos e sistemas de impermeabilização, é INCORRETO afirmar:
Provas
Para receber tinta fresca sobre massa corrida, as paredes e peças de concreto devem ser preparadas seqüencialmente com:
Provas
A espessura da camada de argamassa de assentamento de azulejos sobre paredes internas deve ser, em cm, de
Provas
Caderno Container