Foram encontradas 120 questões.


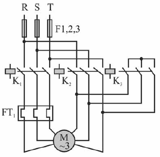
A figura acima ilustra o diagrama de força e de comando para acionamento de um motor de indução trifásico por meio de chave estrela-triângulo. O circuito de força está ligado às fases R, S e T e o circuito de comando, entre as fases R e S. Considerando essas informações e a simbologia adotada, julgue o próximo item.
Considerando que o acionamento do motor seja realizado pressionando-se o botão pulsador SH1, é correto afirmar que, com o motor em movimento, somente um dos contactores, K2 ou K3, fica fechado, sendo que, na sequência de acionamentos, o primeiro contactor a ser ligado considerando os dois é o K2 e, por último, K3.
Considerando que o acionamento do motor seja realizado pressionando-se o botão pulsador SH1, é correto afirmar que, com o motor em movimento, somente um dos contactores, K2 ou K3, fica fechado, sendo que, na sequência de acionamentos, o primeiro contactor a ser ligado considerando os dois é o K2 e, por último, K3.
Provas
Questão presente nas seguintes provas


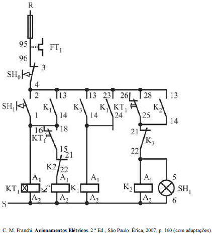
A figura acima ilustra o diagrama de força e de comando para acionamento de um motor de indução trifásico por meio de chave estrela-triângulo. O circuito de força está ligado às fases R, S e T e o circuito de comando, entre as fases R e S. Considerando essas informações e a simbologia adotada, julgue o próximo item.
Em condições normais, o motor poderá ser desligado pressionando-se o botão de impulso SH0. No esquema de ligações, não é possível reverter o sentido de rotação do motor.
Em condições normais, o motor poderá ser desligado pressionando-se o botão de impulso SH0. No esquema de ligações, não é possível reverter o sentido de rotação do motor.
Provas
Questão presente nas seguintes provas


A figura acima ilustra o diagrama de força e de comando para acionamento de um motor de indução trifásico por meio de chave estrela-triângulo. O circuito de força está ligado às fases R, S e T e o circuito de comando, entre as fases R e S. Considerando essas informações e a simbologia adotada, julgue o próximo item.
Para implementação correta do esquema de ligação de um dispositivo estrela-triângulo, o motor não pode ter apenas três terminais acessíveis.
Para implementação correta do esquema de ligação de um dispositivo estrela-triângulo, o motor não pode ter apenas três terminais acessíveis.
Provas
Questão presente nas seguintes provas


A figura acima ilustra o diagrama de força e de comando para acionamento de um motor de indução trifásico por meio de chave estrela-triângulo. O circuito de força está ligado às fases R, S e T e o circuito de comando, entre as fases R e S. Considerando essas informações e a simbologia adotada, julgue o próximo item.
O símbolo indicado por KT1 representa um relé de sobrecarga. Esse dispositivo é ajustado de modo a evitar que o motor venha a ser submetido a correntes superiores a uma corrente máxima para a qual o motor possa funcionar, mesmo com carga acima da nominal para um intervalo de tempo limitado.
O símbolo indicado por KT1 representa um relé de sobrecarga. Esse dispositivo é ajustado de modo a evitar que o motor venha a ser submetido a correntes superiores a uma corrente máxima para a qual o motor possa funcionar, mesmo com carga acima da nominal para um intervalo de tempo limitado.
Provas
Questão presente nas seguintes provas
Em um sistema trifásico, para efeito do cálculo de faltas em um barramento, foram calculadas as impedâncias equivalentes dos circuitos de Thévenin de sequência neste local da rede elétrica. As impedâncias equivalentes de sequência positiva, negativa e zero são Z1 = j 0,35 pu, Z2 = j 0,35 pu e Z0 = j 0,30 pu, respectivamente, em que j = !$ sqrt {-1} !$. Suponha que a tensão de sequência positiva do circuito equivalente de Thévenin no barramento seja igual a 1,0 pu. Os dados em pu são calculados a partir de uma base de potência trifásica igual a 100 MVA e base de tensão igual à tensão de linha nominal do barramento. Considerando essas informações, julgue o item a seguir.
A potência de curto-circuito trifásico no barramento, em pu, é numericamente igual à intensidade de corrente de curto-circuito fase-fase-terra (bifásico-terra) no barramento, em pu.
A potência de curto-circuito trifásico no barramento, em pu, é numericamente igual à intensidade de corrente de curto-circuito fase-fase-terra (bifásico-terra) no barramento, em pu.
Provas
Questão presente nas seguintes provas
Em um sistema trifásico, para efeito do cálculo de faltas em um barramento, foram calculadas as impedâncias equivalentes dos circuitos de Thévenin de sequência neste local da rede elétrica. As impedâncias equivalentes de sequência positiva, negativa e zero são Z1 = j 0,35 pu, Z2 = j 0,35 pu e Z0 = j 0,30 pu, respectivamente, em que j = !$ sqrt {-1} !$. Suponha que a tensão de sequência positiva do circuito equivalente de Thévenin no barramento seja igual a 1,0 pu. Os dados em pu são calculados a partir de uma base de potência trifásica igual a 100 MVA e base de tensão igual à tensão de linha nominal do barramento. Considerando essas informações, julgue o item a seguir.
A intensidade da corrente de curto-circuito monofásico no barramento é igual a 3,0 pu.
A intensidade da corrente de curto-circuito monofásico no barramento é igual a 3,0 pu.
Provas
Questão presente nas seguintes provas
Em um sistema trifásico, para efeito do cálculo de faltas em um barramento, foram calculadas as impedâncias equivalentes dos circuitos de Thévenin de sequência neste local da rede elétrica. As impedâncias equivalentes de sequência positiva, negativa e zero são Z1 = j 0,35 pu, Z2 = j 0,35 pu e Z0 = j 0,30 pu, respectivamente, em que j = !$ sqrt {-1} !$. Suponha que a tensão de sequência positiva do circuito equivalente de Thévenin no barramento seja igual a 1,0 pu. Os dados em pu são calculados a partir de uma base de potência trifásica igual a 100 MVA e base de tensão igual à tensão de linha nominal do barramento. Considerando essas informações, julgue o item a seguir.
As correntes de curto-circuito fase-fase e fase-fase-terra no barramento são diferentes. Além disso, não há contribuição de componente de sequência zero na composição de componentes simétricos que são utilizados para se determinar a corrente de curto-circuito fase-fase.
As correntes de curto-circuito fase-fase e fase-fase-terra no barramento são diferentes. Além disso, não há contribuição de componente de sequência zero na composição de componentes simétricos que são utilizados para se determinar a corrente de curto-circuito fase-fase.
Provas
Questão presente nas seguintes provas

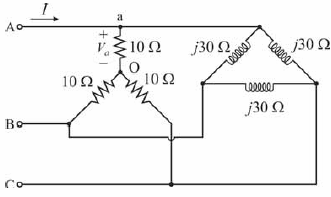
A figura acima ilustra a conexão de duas cargas trifásicas ligadas em paralelo a uma rede elétrica, cuja tensão eficaz de linha é igual a !$ 100 sqrt {3} V !$. A partir dessas informações e considerando que !$ j = sqrt {-1} !$, julgue o próximo item.
A corrente !$ I !$ está atrasada em relação à tensão !$ V_a !$.
A corrente !$ I !$ está atrasada em relação à tensão !$ V_a !$.
Provas
Questão presente nas seguintes provas

A figura acima ilustra a conexão de duas cargas trifásicas ligadas em paralelo a uma rede elétrica, cuja tensão eficaz de linha é igual a !$ 100 sqrt {3} V !$. A partir dessas informações e considerando que !$ j = sqrt {-1} !$, julgue o próximo item.
O fator de potência resultante das duas cargas é indutivo e superior a 0,85.
O fator de potência resultante das duas cargas é indutivo e superior a 0,85.
Provas
Questão presente nas seguintes provas

A figura acima ilustra a conexão de duas cargas trifásicas ligadas em paralelo a uma rede elétrica, cuja tensão eficaz de linha é igual a !$ 100 sqrt {3} V !$. A partir dessas informações e considerando que !$ j = sqrt {-1} !$, julgue o próximo item.
A potência aparente trifásica necessária para alimentar as duas cargas é igual a 6 kVA.
A potência aparente trifásica necessária para alimentar as duas cargas é igual a 6 kVA.
Provas
Questão presente nas seguintes provas
Cadernos
Caderno Container