Foram encontradas 516 questões.
O índice de APGAR, em referência à médica Virginia Apagar, é utilizado para avaliar:
Provas
Questão presente nas seguintes provas
Quanto à vacina BCG, é incorreto afirmar que:
Provas
Questão presente nas seguintes provas
Uma instalação elétrica de distribuição deve atender a uma série de exigências fundamentais de projeto e operação. Assinale a alternativa que não corresponde a tais exigências:
Provas
Questão presente nas seguintes provas
Quando estão prescritos para um paciente 1,2 milhões de UI, a quantidade de heparina que deve ser administrada é ( considerar que a unidade dispõe de 5 milhões de UI em frascos de 2 cm3):
Provas
Questão presente nas seguintes provas
Entre os casos a seguir, o único em que se recomenda a vacina BCG é:
Provas
Questão presente nas seguintes provas
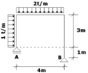
Determinar as reações verticais de apoio (Va e Vb.) do quadro da figura 2, que está sujeito a uma carga vertical uniformemente distribuída de 2t/m e a uma carga de vento (horizontal) de 1t/m:

São as reações Va e Vb:
Provas
Questão presente nas seguintes provas
A manifestação abaixo que não é encontrada na endocardite infecciosa é:
Provas
Questão presente nas seguintes provas
Em relação à candidatura a cargo eletivo, é correto afirmar que:
Provas
Questão presente nas seguintes provas
A sociedade brasileira apresenta hoje um perfil essencialmente:
Provas
Questão presente nas seguintes provas
Uma conexão dial-up é:
Provas
Questão presente nas seguintes provas
Cadernos
Caderno Container