Foram encontradas 125 questões.

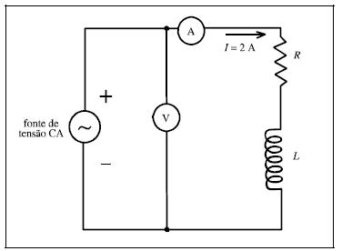
A figura acima representa um circuito alimentado por fonte de tensão em corrente alternada senoidal, cuja freqüência é igual a 60 Hz. Os medidores são considerados ideais e fornecem valores eficazes como leitura. Ao se ligar a fonte, o voltímetro indica 100 V e o amperímetro, 2 A. Acerca do funcionamento do circuito em regime permanente e dos seus elementos, julgue os itens que se seguem.
Isoladamente, pequena alteração na freqüência da tensão da fonte não resulta em modificação da medida indicada pelo amperímetro.
Provas

A figura acima representa um circuito alimentado por fonte de tensão em corrente alternada senoidal, cuja freqüência é igual a 60 Hz. Os medidores são considerados ideais e fornecem valores eficazes como leitura. Ao se ligar a fonte, o voltímetro indica 100 V e o amperímetro, 2 A. Acerca do funcionamento do circuito em regime permanente e dos seus elementos, julgue os itens que se seguem.
Se a resistência R é igual a 40
, a intensidade da tensão sobre a reatância é igual a 60 V.
Provas

A figura acima representa um circuito alimentado por fonte de tensão em corrente alternada senoidal, cuja freqüência é igual a 60 Hz. Os medidores são considerados ideais e fornecem valores eficazes como leitura. Ao se ligar a fonte, o voltímetro indica 100 V e o amperímetro, 2 A. Acerca do funcionamento do circuito em regime permanente e dos seus elementos, julgue os itens que se seguem.
A potência dissipada na forma de calor no circuito depende do valor da resistência R.
Provas

A figura acima representa um circuito alimentado por fonte de tensão em corrente alternada senoidal, cuja freqüência é igual a 60 Hz. Os medidores são considerados ideais e fornecem valores eficazes como leitura. Ao se ligar a fonte, o voltímetro indica 100 V e o amperímetro, 2 A. Acerca do funcionamento do circuito em regime permanente e dos seus elementos, julgue os itens que se seguem.
Se a resistência R é igual a 40
, a indutância L é superior a 100 mH.
Provas

A figura acima representa um circuito alimentado por fonte de tensão em corrente alternada senoidal, cuja freqüência é igual a 60 Hz. Os medidores são considerados ideais e fornecem valores eficazes como leitura. Ao se ligar a fonte, o voltímetro indica 100 V e o amperímetro, 2 A. Acerca do funcionamento do circuito em regime permanente e dos seus elementos, julgue os itens que se seguem.
Se a resistência R é igual a 40
, a reatância do circuito é igual a 10
.
Provas

A figura acima representa um circuito alimentado por fonte de tensão em corrente alternada senoidal, cuja freqüência é igual a 60 Hz. Os medidores são considerados ideais e fornecem valores eficazes como leitura. Ao se ligar a fonte, o voltímetro indica 100 V e o amperímetro, 2 A. Acerca do funcionamento do circuito em regime permanente e dos seus elementos, julgue os itens que se seguem.
A impedância composta pela resistência R e pelo indutor L apresenta módulo igual a 50
.
Provas
Em um local suprido por rede de baixa tensão, foi necessário instalar disjuntores para realizar as funções de comando e de proteção de circuitos. Em relação aos dispositivos que cumprem tais funções, julgue os itens a seguir.
Disjuntores termomagnéticos são providos de disparadores para ações de sobrecarga e de curto-circuito.
Provas
Em um local suprido por rede de baixa tensão, foi necessário instalar disjuntores para realizar as funções de comando e de proteção de circuitos. Em relação aos dispositivos que cumprem tais funções, julgue os itens a seguir.
Em caso de avaria, os componentes dos disjuntores construídos em caixa moldada são, normalmente, substituídos, o que possibilita a recuperação do disjuntor.
Provas
Em um local suprido por rede de baixa tensão, foi necessário instalar disjuntores para realizar as funções de comando e de proteção de circuitos. Em relação aos dispositivos que cumprem tais funções, julgue os itens a seguir.
São inadequados para montagem em quadros e painéis quando o seu mecanismo de atuação — o dispositivo de disparo, entre outros — é montado em estrutura, normalmente metálica, do tipo aberta.
Provas
Os condutores isolados para emprego em baixa tensão são constituídos de fios de cobre mole e apresentam bitola de acordo com a capacidade de corrente que podem conduzir. Acerca desses condutores, julgue os itens abaixo.
A vida útil de um cabo condutor não é afetada pela temperatura na qual o cabo opera.
Provas
Caderno Container