Foram encontradas 1.186 questões.
- EletrotécnicaCircuitos Elétricos em Eletricidade
- EletrotécnicaCircuitos de Corrente Contínua e de Corrente Alternada
Caracteriza corretamente um transistor bipolar NPN de silício:
Provas
Questão presente nas seguintes provas
O símbolo e a curva característica abaixo representam o dispositivo:


Provas
Questão presente nas seguintes provas
- EletrotécnicaCircuitos Elétricos em Eletricidade
- EletrotécnicaCircuitos de Corrente Contínua e de Corrente Alternada
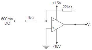
Considere o circuito abaixo:

A tensão de saída vale:

A tensão de saída vale:
Provas
Questão presente nas seguintes provas
No osciloscópio, para facilitar a medida do período de um sinal alternado aplicado à sua entrada vertical, pode-se ampliar ou reduzir horizontalmente a sua forma de onda na tela utilizando
Provas
Questão presente nas seguintes provas
Uma carga indutiva de 100 kVA consome potência ativa de 75 kW. O seu fator de potência vale:
Provas
Questão presente nas seguintes provas
O resistor de 22 kΩ ± 5% tem os anéis nas cores
Provas
Questão presente nas seguintes provas
Analise a curva característica do diodo Zener abaixo:

Os símbolos das especificações correspondentes a I, II e III fornecidas em datasheets são:

Os símbolos das especificações correspondentes a I, II e III fornecidas em datasheets são:
Provas
Questão presente nas seguintes provas
- EletrotécnicaCircuitos Elétricos em Eletricidade
- EletrotécnicaCircuitos de Corrente Contínua e de Corrente Alternada
Analise o circuito comparador de tensão abaixo:

A tensão Vo vale

A tensão Vo vale
Provas
Questão presente nas seguintes provas
O instrumento abaixo é denominado:


Provas
Questão presente nas seguintes provas
Um transformador, cujas especificações são 120 V × 12 V - 60 VA, alimenta uma carga resistiva de 4 Ω no secundário. Os valores aproximados da potência consumida pela carga e da corrente no primário do transformador são, respectivamente:
Provas
Questão presente nas seguintes provas
Cadernos
Caderno Container