Foram encontradas 790 questões.
O ensaio de sondagem a percussão ou Standard Penetration Test permite o conhecimento do tipo de solo, para conhecer o comportamento esperado deste ao receber as cargas. Para decidir sobre o tipo adequado de fundação a ser adotado é preciso saber ainda, dentre outros elementos,
Provas
Questão presente nas seguintes provas
Para execução de um revestimento em (1) pedra ardósia para piso externo de farmácia; (2) granito de uma parede de box de banheiro; (3) revestimento de piso externo em arenito do entorno de uma piscina; (4) instalação de blocos de concreto intertravados em pavimento externo para baixo tráfego, devem ser empregadas,
Provas
Questão presente nas seguintes provas
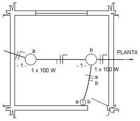
Considere a figura.

O esquema refere-se a um circuito de instalação elétrica de

O esquema refere-se a um circuito de instalação elétrica de
Provas
Questão presente nas seguintes provas
Um pilar com seção 20 × 20 cm2 de uma edificação unifamiliar de padrão popular receberá, da superestrutura, uma carga de 50 toneladas. Este pilar lançará sobre uma sapata de 2,0 m2 tal carga que, por sua vez, lançará em um solo de tensão admissível de fs = 5 kgf/cm2 (de acordo com tabela ABNT). Todas as peças estruturais são de concreto armado com resistência característica à compressão acima de 25 MPa, de acordo com os ensaios tecnológicos executados. O solo local e do entorno foi caracterizado como pedregulhos compactos e mistura de areia e pedregulho.
Segundo os dados acima,Provas
Questão presente nas seguintes provas
Sobre o reaproveitamento de água de chuva em uma edificação de padrão médio e térrea, é correto afirmar:
Provas
Questão presente nas seguintes provas
Sobre parcelamento de solo, considere:
I. Loteamento é a subdivisão da gleba em lotes destinados à edificação, com abertura de novas vias de circulação, de logradouros públicos ou prolongamento, modificação ou ampliação das vias existentes.
II. Desmembramento é a subdivisão de gleba em lotes destinados à edificação, com o aproveitamento do sistema viário existente, desde que não implique abertura de novas vias e logradouros públicos, nem prolongamento, modificação ou ampliação das já existentes.
III. É necessário, mas não suficiente, que qualquer terreno que venha a receber um loteamento, e que, portanto, sofrerá divisão em lotes, tenha regularizada sua matrícula junto ao cartório responsável ou de direito.
IV. Sem a liquidação de partilha de bens, referente a um determinado terreno, não é possível proceder ao desdobramento futuro de um loteamento ou terreno, visto que a matrícula relativa aos lotes finais não poderá ser emitida.
É correto o que consta em
I. Loteamento é a subdivisão da gleba em lotes destinados à edificação, com abertura de novas vias de circulação, de logradouros públicos ou prolongamento, modificação ou ampliação das vias existentes.
II. Desmembramento é a subdivisão de gleba em lotes destinados à edificação, com o aproveitamento do sistema viário existente, desde que não implique abertura de novas vias e logradouros públicos, nem prolongamento, modificação ou ampliação das já existentes.
III. É necessário, mas não suficiente, que qualquer terreno que venha a receber um loteamento, e que, portanto, sofrerá divisão em lotes, tenha regularizada sua matrícula junto ao cartório responsável ou de direito.
IV. Sem a liquidação de partilha de bens, referente a um determinado terreno, não é possível proceder ao desdobramento futuro de um loteamento ou terreno, visto que a matrícula relativa aos lotes finais não poderá ser emitida.
É correto o que consta em
Provas
Questão presente nas seguintes provas
Sobre a execução de revestimento cerâmico, considere a figura.

O detalhe X da figura refere-se à junta de

O detalhe X da figura refere-se à junta de
Provas
Questão presente nas seguintes provas
Em um condutor elétrico qualquer ocorre
Provas
Questão presente nas seguintes provas

Provas
Questão presente nas seguintes provas
É correto afirmar:
Provas
Questão presente nas seguintes provas
Cadernos
Caderno Container