Foram encontradas 720 questões.
Segundo a NBR-5410, os dispositivos que NÃO devem ser utilizados para comando funcional são os
Provas
Considere o diagrama unifilar, a seguir, contendo dois interruptores paralelos bipolares alimentados por uma tensão de 220 V para o comando de uma lâmpada.

Representa os condutores que devem ser utilizados nos trechos A e B:
Provas
Os disjuntores são os principais dispositivos de proteção, bem como os mais eficientes dispositivos de manobra em uso nas redes elétricas. NÃO corresponde a um tipo de disjuntor:
Provas
Em relação aos tipos de transição das chaves de transferência automáticas:
Provas
Considerando um motor trifásico assíncrono de rotor gaiola, com nove pontas, que permite fechamento apenas em duplo estrela (YY) ou estrela (Y), o fechamento correto para alimentá-lo com uma tensão de 380 V é:
Provas
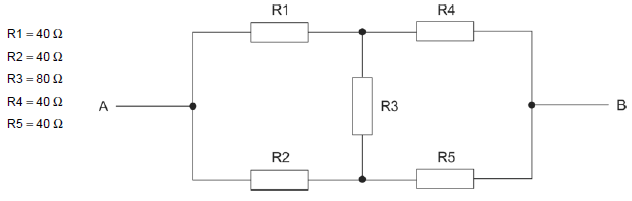
Considere as informações e o circuito abaixo.

A resistência equivalente entre A e B é igual a:
Provas
A força eletromagnética aproximada em um condutor que possui comprimento equivalente a 50 m, que está sob uma densidade de campo magnético com valor de 200 mT e que está sendo percorrido por uma corrente elétrica, cujo valor corresponde a 8 A, é
Provas
A capacidade de um capacitor em armazenar cargas é chamada de capacitância. A capacitância em um capacitor de placas paralelas depende de alguns fatores como: área de suas placas, distância entre suas placas e a constante dielétrica do seu material isolante. Considerando os dados abaixo, a capacitância aproximada de um capacitor de placas paralelas, que utiliza como dielétrico uma placa de polipropileno, é, aproximadamente,
A = 10 cm2
d = 5 cm
εr = 2,2
ε0 = 8,85 x 10−12 F/m
Provas
Uma das especificações de uma lâmpada (ou aparelho de iluminação) a ser considerada no projeto de iluminação de um ambiente é a relação entre o fluxo luminoso no final do período de manutenção e o fluxo luminoso no início da instalação (lâmpada ou aparelho novos). Essa especificação corresponde
Provas
A figura abaixo representa o sinal na tela de um osciloscópio e a sua calibração.

A tensão pico a pico e a frequência valem, respectivamente,
Provas
Caderno Container