Foram encontradas 304 questões.
Considere a figura abaixo para responder às questões de números 42 a 44.

A distância do ponto onde ocorre o momento fletor máximo, em relação ao apoio A, é, em metros, aproximadamente:
Provas
Considere a figura abaixo para responder às questões de números 42 a 44.

O momento fletor máximo é, em KNm, aproximadamente:
Provas
Considere a figura abaixo para responder às questões de números 42 a 44.

As reações verticais nos apoios A e B são, em KN, respectivamente:
Provas
As alavancas utilizadas nas fundações têm a finalidade de
Provas
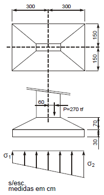
Considere as figuras abaixo.

Na sapata da figura, submetida a uma carga normal e excêntrica de 270 tf, as tensões no solo σ1 e σ2 são, em tf/m2, respectivamente:
Provas
Considere a figura abaixo.

A laje construída atrás do muro de arrimo tem a finalidade de
Provas
De uma maneira geral, os solos são classificados por suas condições específicas. Assim sendo, é correto afirmar que
Provas
As questões de números 36 e 37 referem-se às condições e meio ambiente de trabalho na Indústria de Construção.
Com relação às instalações sanitárias é INCORRETO afirmar que
Provas
As questões de números 36 e 37 referem-se às condições e meio ambiente de trabalho na Indústria de Construção.
É INCORRETO afirmar que
Provas
Em relação à proteção contra incêndio, além de outras exigências legais, os locais de trabalho devem possuir saídas suficientes
Provas
Caderno Container