Foram encontradas 50 questões.
- EletromagnetismoMagnetismoIndução e Transformadores Elétricos
- EletromagnetismoElétricaEletricidade
- EletromagnetismoElétricaResistores e Potência Elétrica
Provas
- EletromagnetismoElétricaAssociação de Resistores
- EletromagnetismoElétricaCircuitos Elétricos Especiais: Leis de Kirchhoff e Ponte de Wheatstone
- EletromagnetismoElétricaEletricidade
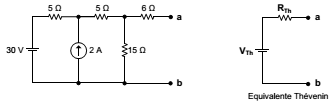
Os valores da tensão VTh e da resistência RTh do circuito equivalente de Thevénin são, respectivamente,
Provas
- EletromagnetismoElétricaAssociação de Resistores
- EletromagnetismoElétricaCircuitos Elétricos Especiais: Leis de Kirchhoff e Ponte de Wheatstone
- EletromagnetismoElétricaEletricidade
Considere o circuito elétrico mostrado a seguir:

Assinale a opção que corresponde ao valor da tensão elétrica medida pelo voltímetro.
Provas
- EletromagnetismoElétricaCircuitos Elétricos Especiais: Leis de Kirchhoff e Ponte de Wheatstone
- EletromagnetismoElétricaEletricidade
- EletromagnetismoElétricaResistores e Potência Elétrica
Provas
- LegislaçãoLei 9.394/1996: Lei de Diretrizes e Bases da Educação Nacional
- Políticas Educacionais
- Organização e Estrutura dos Sistemas de Ensino no Brasil
Provas
Provas
Atente ao seguinte enunciado:
“Desenvolvimento sustentável é aquele que atende as necessidades do presente sem comprometer a possibilidade de as gerações futuras atenderem suas próprias necessidades”.
Assinale a opção cujos itens NÃO são exemplos de desenvolvimento sustentável.
Provas
Observe o seguinte circuito digital:

Esse circuito digital é um
Provas
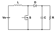
Observe o conversor CC-CC a seguir:

O conversor CC-CC mostrado na figura acima é alimentado com tensão de entrada igual a 12 V e está operando normalmente com razão cíclica de 0,4. Nesse caso, a tensão de saída, em V, é igual a
Provas
- Diodo na Engenharia Eletrônica
- Eletrônica Analógica na Engenharia Eletrônica
- Eletrônica de Potência na Engenharia Eletrônica
- Tiristor
Atente ao seguinte circuito:

Considerando o circuito acima, é correto afirmar que
Provas
Caderno Container