Foram encontradas 80 questões.
De acordo com a norma de representação de desenho técnico, a Figura (1b) representa qual vista do objeto apresentado na Figura (1a), considerando-se a representação da vista “A” como frontal?

Fonte: NBR 10067; CRUZ, Michele David D. Desenho técnico para mecânica: conceitos, leitura e interpretação. São Paulo: Saraiva, 2010. p. 83.
Provas
De modo geral, para elaboração de trabalhos científicos relacionados à metrologia, o Brasil adota como nomenclatura oficial as diretrizes estabelecidas pelo/a
Provas
Considere-se um conjunto de transmissão por correias que utiliza duas polias, sendo os diâmetros das polias motoras e movidas, respectivamente, 200 e 100 mm. Quando a polia motora estiver a uma rotação de 1200 RPM, a polia movida estará a uma rotação de
Provas
Utilizar ferramentas para controle de qualidade em processos industriais é uma demanda corriqueira para os profissionais, sendo a gestão pela qualidade total um dos meios utilizados para melhorar e manter os resultados dentro das organizações. O motivo principal para a utilização de sistemas de controle de qualidade em processos industriais é a busca por
Provas
Em um processo de montagem mecânica, um técnico definiu um diâmetro de 20 mm para 2 parafusos que serão utilizados para fixar um conjunto de mão-francesa (mecanismo de fixação em formato de L intertravado) com carga máxima cisalhante de 20π KN. Considerando-se que o material desses parafusos é um aço de médio carbono com tensão limite de escoamento a tração de 500 MPa. Na prática (e também na teoria), pode-se considerar uma relação aproximada de 60% entre as tensões limite de escoamento a tração e cisalhamento.
Diante dessas informações, verifica-se que o técnico considerou um fator de segurança entre a carga aplicada e a suportada de
Provas
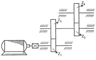
Analisando a Figura a seguir, considere que as engrenagens (Z1, Z2, Z3, Z4) e os pares de mancais de rolamento apresentam individualmente 90% de rendimento e a potência do motor de 50 cv. O valor percentual de perda de potência e a potência disponível na árvore que aciona a engrenagem Z4 é aproximadamente

MELCONIAN, Sarkis. Elementos de máquinas. 9. ed. São Paulo, Érica, 2008.
Provas
Os processos de soldagem e suas variadas formas de aplicação fazem parte de uma importante etapa de fixação e união em diversos projetos de máquinas, equipamentos e estruturas. Considerando aspectos técnicos e tecnológicos de diversos equipamentos e processos de soldagem, tem-se que
Provas
Em um processo de montagem de equipamentos, será realizado a união de um eixo e um rolamento, onde a variação de área superficial entre a medida nominal do diâmetro do eixo e o diâmetro interno do rolamento é de aproximadamente 17,6 mm2. Sabe-se que o material do rolamento apresenta um coeficiente de dilatação linear (α) de 11x10-6 °C-1. Utilizando-se a relação ΔS= β.S0.ΔT e considerando-se que o rolamento apresenta uma área superficial total de aproximadamente 8.000 mm2 e seu material apresenta um coeficiente de dilatação superficial β=2α, a variação mínima de temperatura para aquecimento do rolamento para realizar a correta montagem é de
Provas
- Mecânica dos SólidosModelagem Estática e Dinâmica
- Mecânica dos SólidosElasticidade Linear, Plasticidade, Fratura, Fadiga e Flambagem
A mecânica dos sólidos ou resistência dos materiais permite ao técnico mecânico dimensionar componentes e estruturas de forma a garantir sua integridade, vida útil e segurança. Em um método de dimensionamento de um determinado elemento, o uso de um fator de segurança igual a 4 (quatro) indica que
Provas
Um determinado sistema de transmissão de um equipamento necessita de um torque de 120 Nm para ser acionado. Sabendo-se que torque é igual ao produto entre potência e velocidade angular e supondo-se que seu acionamento seja realizado por meio de um motor elétrico com uma rotação de 3600 rpm, desprezando-se as perdas na transmissão, a potência mínima desse motor será
Provas
Caderno Container