Foram encontradas 40 questões.
Um par Darlington é uma estrutura composta por dois transistores bipolares conectados de tal forma que a corrente amplificada pelo primeiro transistor é depois amplificada pelo segundo, como mostra a figura abaixo. Considere que os dois transistores do par são idênticos em suas características operacionais com \( \beta \) de 40 cada. Assinale a alternativa que apresenta o valor mais aproximado do \( \beta \) do par em relação ao β de um dos transistores do par.
Provas
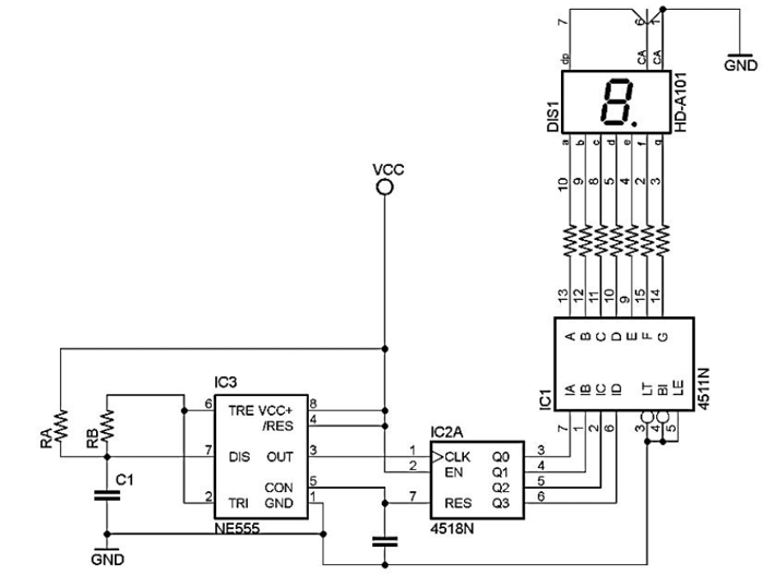
A figura abaixo apresenta um circuito denominado contador. Este contador faz com que um display de LED altere o número mostrado toda a vez que o 4518N recebe um pulso no pino 1. Assinale a alternativa que apresenta a função do CI 4511N no circuito.

Provas
Sobre a classificação dos amplificadores, analise as assertivas abaixo, assinalando V, se verdadeira, ou F, se falsa.
( ) Classe A – o dispositivo eletrônico de saída (válvula ou transistor) conduz durante os 360 graus do sinal de entrada.
( ) Classe B – o dispositivo eletrônico de saída (válvula ou transistor) conduz durante apenas 180 graus do sinal de entrada (apenas um semiciclo).
( ) Classe AB – o dispositivo eletrônico de saída (válvula ou transistor) conduz durante mais do que 180 graus do sinal de entrada, mas não na sua totalidade.
( ) Classe A – alta eficiência (idealmente 100%) e alta potência de saída. Usado principalmente para aplicações de RF e micro-ondas.
A ordem correta de preenchimento dos parênteses, de cima para baixo, é:
Provas
Sobre os motores elétricos universais, analise as assertivas abaixo, assinalando V, se verdadeira, ou F, se falsa.
( ) É possível inverter o sentido do movimento de rotação dos motores elétricos universais invertendo apenas as ligações das escovas, ou seja, a bobina ligada à escova deverá ser ligada a outra escova e vice-versa.
( ) Os motores elétricos universais permitem variar a velocidade quando o valor de tensão de alimentação varia.
( ) Os motores elétricos universais apresentam conjugado de partida baixo.
( ) Os motores elétricos universais são do tipo gaiola de esquilo.
A ordem correta de preenchimento dos parênteses, de cima para baixo, é:
Provas
A figura abaixo ilustra um circuito eletrônico comumente chamado de ponte H. Este circuito é usado para controlar o sentido de rotação de um motor DC.
Sabendo que o referido motor gira no sentido horário quando alimentado no sentido convencional da corrente, analise as assertivas abaixo:
I. Caso o ponto A seja positivamente energizado, o motor irá girar em sentido horário, se o ponto B estiver aterrado.
II. Caso o ponto B seja positivamente energizado, o motor irá girar em sentido anti-horário, se o ponto A estiver aterrado.
III. Caso os dois pontos sejam positivamente energizados, o motor permanecerá desligado e nenhum componente do circuito será danificado.
Quais estão corretas?
Provas
A figura abaixo apresenta a tabela verdade de um circuito lógico. Considerando “/” como negação, assinale a alternativa que apresenta a equação correspondente à referida tabela verdade.

Provas
Considere um conversor A/D de 10 bits utilizado para converter o sinal de um transdutor de temperatura com resposta de 0 – 5 VDC correspondendo, respectivamente, às temperaturas de 0 °C – 20 °C. Assinale a alternativa que apresenta o valor mais aproximado da resolução esperada para este sistema.
Provas
Considerando conhecimentos básicos relacionados a circuitos retificados, analise as assertivas abaixo:
I. A figura “A” ilustra o gráfico da tensão de uma corrente alternada que passou por um circuito retificador de meia-onda.
II. A figura “B” ilustra o gráfico da tensão de uma corrente alternada que passou por um circuito retificador de onda completa.
III. A figura “C” ilustra o gráfico da tensão de uma corrente alternada que passou por um circuito retificador “dobrador de onda”.

Quais estão corretas?
Provas
Considere um circuito eletrônico como o mostrado na figura abaixo. Assinale a alternativa que apresenta o valor mais aproximado de R, cuja função é limitar a corrente no Zener em torno de 80 mA, sabendo que Uin = 12 VDC e que a tensão nominal do Zener é de 3,9 V.

Provas
Sobre os conceitos relacionados à Lei de Ohm e os teoremas de Thévenin e Norton, analise as assertivas abaixo, assinalando V, se verdadeira, ou F, se falsa.
( ) Em um circuito paralelo, a média das tensões em um ramo é igual à tensão em qualquer um dos ramos, independentemente das resistências envolvidas.
( ) O teorema de Norton estabelece que qualquer circuito linear visto de um ponto pode ser representado por uma fonte de corrente em paralelo com uma impedância.
( ) O teorema de Thévenin estabelece que qualquer circuito pode ser representado por uma fonte de tensão em série com uma impedância.
( ) Uma configuração Thévenin pode ser transformada numa configuração Norton, e vice-versa, desde que Wo = Rn x In.
A ordem correta de preenchimento dos parênteses, de cima para baixo, é:
Provas
Caderno Container