Foram encontradas 80 questões.
Quando a altura de queda do concreto for superior a 2,5 m, deverão ser tomadas medidas especiais, para evitar a segregação. NÃO faz parte dessas medidas especiais o indicado na seguinte alternativa
Provas
Questão presente nas seguintes provas
Para preencher com hachuras um determinado desenho, utilizamos o comando HATCH – Hachura (H). Todas as hachuras contidas na “Paleta Padrão” do programa podem ser editadas. Nesse caso, as possibilidades de edição possíveis são:
Provas
Questão presente nas seguintes provas
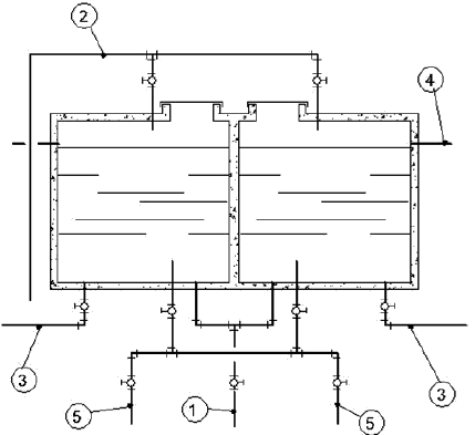
Observe abaixo a figura esquemática de um reservatório superior:

A alternativa em que os números indicados na figura se correlacionam corretamente com as respectivas linhas de tubulações hidráulicas é:
Provas
Questão presente nas seguintes provas
Estranhas gentilezas
Estão acontecendo coisas estranhas. Sabe-se que as pessoas nas grandes cidades não têm o hábito da gentileza. Não é por ruindade, é falta de tempo. Gastam a paciência nos ônibus, no trânsito, nas filas, nos mercados, nas salas de espera, nos embates familiares, e depois economizam com a gente.
Comigo dá-se o contrário, é o que estou notando de uns dias para cá. Tratam-me com inquietante delicadeza. Já captava aqui e ali sinais suspeitos, imprecisos, ventinho de asas de borboleta, quase nada. A impressão de que há algo estranho tomou corpo mesmo foi na semana passada. Um vizinho que já fora meu amigo telefonou-me desfazendo o engano que nos afastava, intriga de pessoa que nem conheço e que afinal resolvera esclarecer tudo. Difícil reconstruir a amizade, mas a inimizade morria ali.
Como disse, eu vinha desconfiando tenuemente de algumas amabilidades. O episódio do vizinho fez surgir em meu espírito a hipótese de uma trama, que já mobilizava até pessoas distantes. E as próximas?
Tenho reparado. As próximas telefonam amáveis, sem motivo. Durante o telefonema fico aguardando o assunto que estaria embrulhado nosenfeites da conversa, e ele não sai. Um número inesperado de pessoas me cumprimenta na rua, com acenos de cabeça. Mulheres, antes esquivas, sorriem transitáveis nas ruas dos Jardins. Num restaurante caro da Rua Amauri, o maître, com uma piscadela, fura a demorada fila de executivos à espera e me arruma rapidinho uma mesa para dois. Um homem de pasta que parecia impaciente à minha frente me cede o último lugar no elevador. O jornaleiro larga sua banca na Avenida Sumaré e vem ao prédio avisar-me que o jornal chegou. (...)
Que está acontecendo? Quem e por que está querendo me convencer de que as pessoas são um doce? Penso: não são gentilezas, são homenagens aos meus cabelos brancos, por eu ter aguentado tanto, como se fosse um atleta de maratona, daqueles retardatários que são mais aplaudidos na chegada que os vencedores. (...)
Que significa isso? Que querem comigo? Que complô é esse? Que vão pedir em troca de tanta gentileza?
Aguardo, meio apreensivo, meio feliz.
Interrompo a crônica nesse ponto, saio para ir ao banco, desço pelas escadas porque alguém segura o elevador lá em cima, o segurança do banco faz-me esvaziar os bolsos antes de entrar pela porta giratória, enfrento a fila do caixa, não aceitam cheques de outra pessoa para pagar contas, saio xingando do banco, atravesso a avenida arriscando a vida entre bólidos, um caminhão respinga-me a água suja de uma poça, entro no apartamento, sento-me ao computador e ponho-me de novo a sonhar.
(Ivan Ângelo. Disponível em: veja.abril.com.br)
A palavra formada pelo acréscimo de um prefixo é:
Provas
Questão presente nas seguintes provas
Quando o iluminamento não varia com a distância, temos como exemplo de fonte:
Provas
Questão presente nas seguintes provas
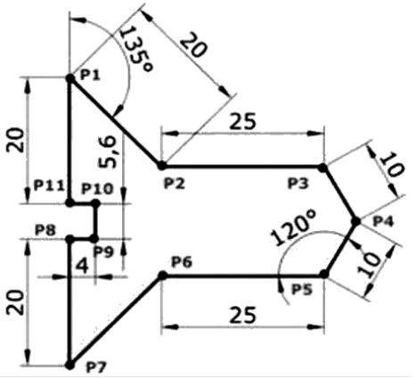
Observe o desenho abaixo:

Para executá-lo pode-se utilizar dois tipos de coordenadas: relativas retangulares e relativas polares. Analisando especificamente as coordenadas relativas polares e baseando-se no sentido em que foi realizado o exercício P1 ao P11, aponte entre as opções, a alternativa que apresenta as coordenadas polares utilizadas é:
Provas
Questão presente nas seguintes provas
No desenho abaixo está representada uma tesoura com as peças que a compõem e com as peças que transmitem carga para ela. Essas peças estão numeradas.

A alternativa que indica a relação correta número - peça é:
Provas
Questão presente nas seguintes provas
Observe as figuras de conexões em PVC soldável abaixo, utilizadas para distribuição de água potável e escolha a opção que as identifica corretamente.

A alternativa que correlaciona corretamente os números das figuras e suas respectivas conexões é:
Provas
Questão presente nas seguintes provas
Considere o projeto de instalações elétricas de uma residência e responda à questão.

O circuito número 4 é considerado como:
Provas
Questão presente nas seguintes provas
No desenho abaixo estão representados os tipos de caixilhos que são os mais utilizados no mercado atualmente. A classificação dos caixilhos refere-se sempre à maneira como são abertos. Os caixilhos estão identificados por representações que vão de J1 a J7.

A representação e o respectivo caixilho estão corretamente identificados em:
Provas
Questão presente nas seguintes provas
Cadernos
Caderno Container