Foram encontradas 40 questões.
O mapa de Karnaugh é um método gráfico usado para simplificar uma expressão lógica ou para converter uma tabela-verdade em um circuito lógico correspondente.
Observe o mapa de Karnaugh abaixo:

A expressão lógica que será obtida pela simplificação da função lógica representada é:
Provas
Questão presente nas seguintes provas
Um controlador operando em modo on/off aciona um aparelho de ar condicionado quando a temperatura de uma sala atinge 22ºC, e é desligado quando a temperatura reduz para 18ºC. O dispositivo reduz a temperatura da sala a uma taxa de 0,5ºC/min, quando é acionado, e a temperatura aumenta a uma taxa de 0,25ºC/min, quando o aparelho está desligado.
Desprezando os atrasos de tempo no sistema de controle, o tempo que o ar condicionado permanece ligado (Ton) e desligado (Toff), respectivamente, em minutos, é de:
Provas
Questão presente nas seguintes provas
Um Controlador Lógico Programável (CLP) utiliza a linguagem de diagrama de contatos (Ladder) para implementar a lógica de controle de um determinado processo industrial.
Com base nessas informações, observe o diagrama a seguir:

A função lógica que o diagrama implementa é:
Provas
Questão presente nas seguintes provas
Um medidor do tipo turbina é bastante utilizado para medir a vazão de fluidos. Segundo o fabricante, a vazão pode ser calculada através da fórmula: Q = K. f , onde Q (m3/s) é a vazão medida, f (Hz) é a frequência do sinal de saída do medidor e K é uma constante de proporcionalidade, igual a 0,002 m3/s.Hz. A figura mostra o sinal de saída desse medidor visualizado em um osciloscópio que foi inicialmente ajustado em suas escalas vertical e horizontal para 2 V/div e 5 ms/div.

Com base no sinal de saída do medidor visualizado no osciloscópio, o valor da vazão em m3/s é:
Provas
Questão presente nas seguintes provas
Uma carga RL de 90!$ \Omega !$ é conectada a um amplificador, conforme figura abaixo. Considerando o ganho sem carga (Av), a impedância de entrada (Zi) e a impedância de saída (Zo) do amplificador, o valor de Vo, em Volts, será de:

Provas
Questão presente nas seguintes provas
A expressão lógica equivalente a !$ S = A.\overline{B} ( C + B .D)+ \overline{A}. \overline{B}. C !$ é
Provas
Questão presente nas seguintes provas
Sabendo que a corrente na base (IB) é 0,1 mA, e que o valor do beta do transistor é 99, a corrente IE no emissor do transistor, em mA, é igual a:

Provas
Questão presente nas seguintes provas
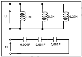
Considerando os circuitos mostrados abaixo, o valor da indutância total (LT) em henry (H) e a capacitância total (CT) em farad (F) são, respectivamente:

Provas
Questão presente nas seguintes provas
Observe o circuito abaixo:

A frequência do oscilador (!$ \omega_o !$), em krad/s é igual a:
Provas
Questão presente nas seguintes provas
Sabendo que Np e Ns são os números de espiras dos enrolamentos primário e secundário do transformador, o valor da corrente IE mostrada no circuito abaixo, em Ampère (A), é de:

Provas
Questão presente nas seguintes provas
Cadernos
Caderno Container