Foram encontradas 50 questões.
Uma carga RL série possui uma resistência de 1 ohm e reatância indutiva de 1 ohm na frequência fundamental. A
corrente elétrica eficaz na frequência fundamental é de 10A. A corrente elétrica eficaz da terceira harmônica é de 5A.
O fator de potência do circuito com a fundamental e a 3ª harmônica é de:
Provas
Questão presente nas seguintes provas
Sobre a turbina Pelton e sua utilização no Brasil, é correto afirmar que:
Provas
Questão presente nas seguintes provas
O valor da tensão de E, sabendo que R1 = 1 ohm, R2 = 2 ohms, Ie = 10 A e IR1 = 2 A, é de:


Provas
Questão presente nas seguintes provas
Analise o diagrama de comando elétrico a seguir.

O diagrama trata-se mais provavelmente do acionamento de:

O diagrama trata-se mais provavelmente do acionamento de:
Provas
Questão presente nas seguintes provas
A figura e as seguintes informações contextualizam a questão. Analise-a.

Considere um chuveiro de 4400W, uma torneira elétrica na cozinha de 1200W e uma tensão nominal de 220V e, ainda, a potência da campainha desprezível e o fator de potência unitário, conforme norma NBR 5410.
Provas
Questão presente nas seguintes provas
A figura e as seguintes informações contextualizam a questão. Analise-a.

Considere um chuveiro de 4400W, uma torneira elétrica na cozinha de 1200W e uma tensão nominal de 220V e, ainda, a potência da campainha desprezível e o fator de potência unitário, conforme norma NBR 5410.
Provas
Questão presente nas seguintes provas
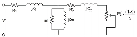
A figura apresenta um modelo simplificado do motor de indução trifásico; analise-a.
Quanto à variação de velocidade, é correto afirmar que:
Quanto à variação de velocidade, é correto afirmar que:Provas
Questão presente nas seguintes provas
A forma de onda, a seguir, possui uma tensão limitada em 0,707 de Ym; analise-a. 
Os valores de tensão média e eficaz são, respectivamente:

Os valores de tensão média e eficaz são, respectivamente:
Provas
Questão presente nas seguintes provas
Sobre a possibilidade de a Administração Pública convalidar atos administrativos, assinale a afirmativa correta.
Provas
Questão presente nas seguintes provas
“Considere que a Universidade Estadual do Rio Grande do Norte tenha expedido uma Portaria determinando ponto
facultativo em uma sexta-feira em virtude do anúncio de um suntuoso evento na cidade. Dois dias antes, constatando
o adiamento do evento, a Universidade revogou o referido ato administrativo.” Quanto à situação hipotética narrada,
assinale a afirmativa correta.
Provas
Questão presente nas seguintes provas
Cadernos
Caderno Container