Foram encontradas 45 questões.
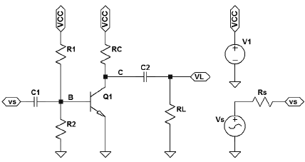
No transistor bipolar, a parcela AC da corrente de coletor é dada por IcAC=(IcDCVT⁄)×VbeAC, onde VT é a tensão térmica da junção pn que, na temperatura ambiente, pode ser considerada como aproximadamente 25 mV. No circuito amplificador a seguir, o nível DC de polarização do nó C é igual 2(VCC)/3, a corrente de base do transistor Q1 pode ser considerada desprezível e sua tensão early VA pode ser considerada infinita. Sabendo que o sinal a ser amplificado é fornecido pela fonte Vs que é AC senoidal com 5 mV de pico e frequência de 20 kHz, o nó VCC está conectado a uma fonte DC ideal de 15 V, e neste circuito R1=118,02 kΩ, R2=5,32 kΩ, RC=15 kΩ, RL=15 kΩ:

O ganho de tensão deste circuito entre VL e Vs, considerando que a resistência de fonte Vs é nula e para a frequência de interesse as impedâncias das capacitâncias C1 e C2 podem ser consideradas nulas, é:
Provas
No circuito a seguir, a fonte Vin é composta por uma parcela DC de 9,0 V, uma parcela AC senoidal com 2,0 V de pico, frequência de 2 kHz e resistência de fonte nula, R1 = 40kΩ, R2 = 400kΩ, R3 = 20kΩ e R4 = 20kΩ.

O valor máximo da corrente em R3 é:
Provas
Um laboratório será construído em um determinado espaço reservado para este propósito. O projeto de posicionamento dos elementos dentro do laboratório será realizado em um desenho em escala do espaço reservado para o laboratório. Sabendo que o espaço é retangular com largura três vezes o tamanho do comprimento, que é de 10 m, e que a escala usada para a representação foi de 1:40, podemos afirmar que o perímetro do laboratório, no desenho, será de:
Provas
Na arquitetura de computador proposta por Von Neumann, os componentes unidade central de processamento (UCP) são: unidade lógica aritmética, unidade de controle, contador de programa e registradores diversos como o registrador de instruções. No início do ciclo de uma instrução, o contador de programa aponta para a posição de memória onde se encontra a instrução a ser executada, que é então carregada no registrador de instruções. Se o decodificador de instruções detectou que a operação a ser realizada trata-se de uma soma de dois operadores, qual será o próximo componente do sistema a ser acionado para execução da instrução?
Provas
Um engenheiro tentou resolver um problema de conexão em um ambiente com elevado grau de ruído eletromagnético, aplicando pelo menos quatro técnicas e conexão via cabos e até sinal de rádio. Porém, chegou à conclusão de que a única maneira eficiente de transmitir o dado nesse ambiente seria usando um meio onde o dado é transportado por ondas eletromagnéticas na faixa de 800 nm a 1600 nm. A partir dessas informações, podemos afirmar que o meio de transmissão é o(a):
Provas
Em um experimento de transmissão de dados via rádio, o aluno percebeu que houve uma distorção do sinal, que provocava, em algumas ocasiões, a perda de informação na recepção, a qual teve que ser corrigida no final. A distorção em questão foi uma distorção de redução da amplitude do sinal à medida que o receptor se afastava da fonte. Foi realizado teste em todos os componentes do sistema de forma isolada e verificou-se que todos estavam funcionando de forma adequada. Nessa situação, o problema está relacionado a que componente do sistema de transmissão?
Provas
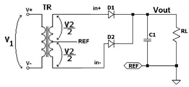
Determine a relação de espiras N2/N1 do transformador da figura a seguir, sabendo que a tensão de saída do circuito abaixo é de 5 V e que o primário do transformador está conectado à rede elétrica de 110 V e 50 Hz. Considere que RL=3,47 kΩ, o capacitor C1=1149,61 μF e que todos os diodos são de silício com VD=0,7 V e tensão de ruptura avalancha maior que 91,21 V:

Provas
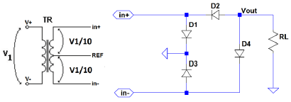
No circuito a seguir, V1 é o primário de um transformador conectado à rede elétrica de 50 Hz e 110 V e a carga RL é de 3,47 kΩ:

Sabendo que todos os diodos são de silício com VD=0,7 V e tensão de ruptura avalancha maior que 91,21 V, podemos afirmar que o valor da frequência do sinal e o valor mínimo de tensão na saída do circuito valem, respectivamente:
Provas
A potência ativa fornecida pela rede a um motor trifásico com fator de potência de 88% é de 3850 W. Sabendo que o motor está conectado a uma rede com 110 V e 60 Hz por fase e considerando que 312⁄=1,73, podemos afirmar que a corrente total fornecida por cada fase é igual a:
Provas
Em determinado edifício, cada apartamento consome em média 8,8 kW com iluminação em um sistema monofásico de 110 V e 60 Hz. O edifício está conectado a um sistema de distribuição trifásico, formando um circuito estrela com carga total equilibrada. Sabendo que a corrente que o cabo alimentador de cada fase deve suportar é de 480 A e considerando o fator de potência igual a 1 (luz incandescente), quantos apartamentos podem ser alimentados neste esquema de forma equilibrada?
Provas
Caderno Container