Foram encontradas 315 questões.
Segundo a NR-10, os estabelecimentos com carga instalada superior a 75 kW devem constituir e manter o Prontuário de Instalações Elétricas, contendo:
I. o conjunto de procedimentos e instruções técnicas e administrativas de segurança e saúde.
II. apenas as inspeções do sistema de proteção contra descargas atmosféricas e aterramentos elétricos.
III. a especificação dos equipamentos de proteção coletiva e individual e o ferramental, aplicáveis conforme determina na NBR- 5410.
IV. os resultados dos testes de isolação elétrica realizados em equipamentos de proteção individual e coletiva.
V. as certificações dos equipamentos e materiais elétricos de todas as áreas classificadas da empresa.
Assinale a alternativa CORRETA:
Provas
A proteção contra choques elétricos em instalações é realizada pelo _______.
Assinale a alternativa que preenche, CORRETAMENTE, a lacuna do texto:
Provas
A NR-05 define, entre outros aspectos, as atribuições da CIPA (Comissão de Prevenção de Acidentes). Assinale a alternativa que NÃO é uma atribuição da CIPA:
Provas
Com relação aos métodos e ferramentas para aumento da confiabilidade, podemos afirmar que:
I. FMEA ou análise de causa raiz das falhas é um método para buscar causas de problemas e determinar as ações apropriadas para evitar a reincidência.
II. O NPR (Número de prioridade de risco) é um índice que leva em consideração a frequência, a gravidade e a detectabilidade da falha.
III. O MASP (Método de Análise e Solução de Problemas) é uma ferramenta originária da Gestão da Qualidade e do FMECA.
IV. FMECA inclui a Análise Crítica, que é um método qualitativo para classificar os modos de falha, levando em conta suas probabilidades de ocorrência.
V. As ferramentas FMEA, FMECA e SWOT são ferramentas utilizadas quando se aplica uma manutenção centrada em confiabilidade.
Assinale a alternativa CORRETA:
Provas
Quanto à gestão da manutenção e o tipo de manutenção, considere as seguintes afirmativas:
I. A TPM (Manutenção Produtiva Total) é um dos tipos de manutenção planejada.
II. A manutenção detectiva é a manutenção preditiva dos sistemas de proteção dos equipamentos, como painéis de controle, por exemplo; busca falhas ocultas desses sistemas.
III. Administração da manutenção significa normatizar as atividades, ordenar os fatores de produção, contribuir para a produção e a produtividade com eficiência, sem desperdícios e retrabalho.
IV. Controle da Manutenção significa a maneira como o serviço de manutenção se compõe, se ordena e se estrutura para alcançar os objetivos visados.
V. Para a manutenção, o ciclo de vida de um equipamento é composto pelas fases: 1) amaciamento; 2) vida útil e 3) envelhecimento.
Assinale a alternativa CORRETA:
Provas
Quanto às características (operação, aplicação, tipo e funcionamento) de um inversor, assinale a alternativa INCORRETA:
Provas
Em um circuito de comando e proteção de motores, é utilizado um dispositivo de proteção contra sobrecarga:

Assinale a alternativa INCORRETA:
Provas
O computador de um processo de controle usa o código octal para representar seus endereços de memória de 12 bits. Podemos afirmar que a quantidade de dígitos octais necessários e a quantidade de endereços de memória existentes são, respectivamente:
Provas
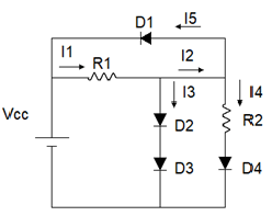
Considere o circuito a seguir:

Assinale a alternativa que apresenta os valores CORRETOS das correntes I1, I2, I3, I4 e I5:
Provas
A bobina da figura a seguir está imersa em um campo magnético de intensidade igual a 0,5 T. A área da bobina é igual a 200 cm² e é percorrida por uma corrente de 2A:

Considerando que o número de espiras é N=500, podemos afirmar que o valor CORRETO do conjugado eletromagnético sobre a bobina, quando o ângulo !$ \theta !$ for igual a 300, é:
Provas
Caderno Container