Foram encontradas 60 questões.
Foram propostas duas soluções para o projeto de uma viga metálica conforme detalhadas abaixo. Estas mesmas vigas foram submetidas a um momento M de 150 kN.m. Após análise das estruturas podemos afirmar que a alternativa correta abaixo será:

Provas
Questão presente nas seguintes provas
TEXTO 1
Hoje, no Brasil, a ideia dominante de saúde que circula no sistema social como um todo associa a saúde a bens/serviços de consumo, entendidos como expressões concretas da tecnologia médico-sanitária. Segundo essa idéia, tais bens/serviços de consumo “contêm saúde”, como um valor enraizado no conhecimento científico. Esses bens e serviços, assim caracterizados, se consumidos, produziriam nos indivíduos estados de bem-estar, através da transferência da saúde que está nos produtos para o corpo das pessoas.
Hoje, no Brasil, a ideia dominante de saúde que circula no sistema social como um todo associa a saúde a bens/serviços de consumo, entendidos como expressões concretas da tecnologia médico-sanitária. Segundo essa idéia, tais bens/serviços de consumo “contêm saúde”, como um valor enraizado no conhecimento científico. Esses bens e serviços, assim caracterizados, se consumidos, produziriam nos indivíduos estados de bem-estar, através da transferência da saúde que está nos produtos para o corpo das pessoas.
Assim, a saúde se “descoletiviza” ou se “individualiza” pelo consumo de um conjunto de bens ditos de “saúde”. (...) A evolução tecnológica e o consumismo em saúde geram, por sua vez, a idéia correspondente de que não é preciso que uma sociedade seja saudável para que cada um de nós o seja.
Quando se fala em saúde como bem de consumo coletivo e se agrega a isso a perspectiva política de democratização da saúde, está se pensando na generalização do acesso aos bens e serviços ditos de “saúde”, de forma que se possa argumentar – erradamente – que a saúde se coletiviza para o conjunto da sociedade à medida que todos podem ter acesso individual à “sua saúde”. (...) O que se chama erroneamente de saúde coletiva, envolvendo o acesso generalizado ao consumo dos chamados bens e serviços de saúde, deve ser chamado pelo seu verdadeiro nome: assistência médica. Como então suprimir a doença?
Se a saúde vira responsabilidade individual do consumidor de “saúde” e a chamada “saúde como dever do Estado” acaba se confundindo com a democratização do acesso individual aos bens e serviços médicos, onde e com quem fica a responsabilidade pela verdadeira saúde coletiva, entendida como propiciar condições sociais, culturais, e econômicas para gerar modos de vida não-doentes? Há várias respostas possíveis para esta questão:
1) “Fica em lugar nenhum e com ninguém.” Os que defendem essa posição (...) poderiam esgrimir os seguintes argumentos: a) o homem é o que é; b) as doenças sempre existiram e sempre existirão, são fatalidades como a fome e o frio; c) não há como criar sistemas sociais e culturais não geradores de doença; d) o único jeito é se proteger das doenças pelo consumo de “objetos saudáveis” (remédios, iogurtes, cirurgias, alimentos “diet”, planos de saúde etc.).
2) “Fica no céu da utopia com os poetas, revolucionários e sanitaristas sonhadores, que querem mudar o mundo.”
3) “Fica na terra, com uma entidade abstrata (...). No caso da Saúde, é o Ministério da Saúde (a voz anônima que adverte, nos maços de cigarro, que fumar é prejudicial à saúde) ou a Secretaria da Saúde.”
4) “Fica na terra, em cada um de nós, na medida em que admitamos: a) que as doenças não são uma fatalidade: a maioria das que atingem o grosso da população podem ser eliminadas se nós estivermos coletivamente dispostos para tanto; b) que, ao só defendermos a saúde de cada um com remédios, iogurtes, camisinhas, estamos salvando nossa pele como indivíduos, mas ‘cevando’ a doença; c) que o Estado não fará o trabalho por nós porque ele não é uma entidade abstrata, fora de nós, mas a expressão concreta da nossa consciência ou falta de consciência; d) que, mesmo se todos nós pudermos consumir ‘objetos saudáveis’, a doença continuará a existir e a nos ameaçar como espécie animal; e) que, enfim, a eliminação das doenças não é um problema tecnológico, mas de vontade coletiva.”
LEFÈVRE, F. Você decide. In: Superinteressante. Edição 62. Nov. 1992. Disponível em: <http://super.abril.com.br/saude/desconsumizar saude-voce-decide-440511.shtml>. Acesso em 17 set. 2013.
Das respostas possíveis sobre a questão da saúde, conclui-se que o autor é favorável à resposta (4), pois:
Provas
Questão presente nas seguintes provas
TEXTO 2
Um novo aplicativo transforma o celular em uma espécie de consultório oftalmológico de bolso. Segundo a notícia publicada ontem, um pesquisador da Escola de Higiene e Medicina Tropical de Londres está testando a novidade em 5 mil pessoas no Quênia. (...)
Um novo aplicativo transforma o celular em uma espécie de consultório oftalmológico de bolso. Segundo a notícia publicada ontem, um pesquisador da Escola de Higiene e Medicina Tropical de Londres está testando a novidade em 5 mil pessoas no Quênia. (...)
No Quênia, assim como no Brasil, faltam médicos em localidades afastadas dos grandes centros. No nosso país, não faltam só médicos, como repetimos tantas vezes nesta coluna. Falta tudo: equipamentos, estrada, segurança (...)
A popularização dos celulares e as novas tecnologias móveis deveriam estar no radar de quem traça as políticas de saúde no país. Esses dispositivos podem reduzir custos e alcançar quem nunca terá a chance de estar diante de um médico de carne e osso, sempre que precisar. Com recursos móveis e aplicativos confiáveis, até mesmo enfermeiros ou profissionais de saúde de nível técnico poderiam ir até o paciente, fazer os exames e enviá-los aos médicos localizados a quilômetros de distância.
Como quase sempre política vira politicagem e as autoridades de saúde com perfil técnico são expurgadas do comando sempre que uma disputa eleitoral se avizinha, essa é mais uma discussão produtiva que deixa de ser feita.
Se dos governos podemos esperar poucas soluções coletivas e inteligentes para a saúde, o fenômeno das novas tecnologias móveis tem algo de libertador: os aplicativos, gadgets, sites e outros recursos dão poder ao indivíduo. (...)
Com um celular na mão e uns aplicativos espertos, as pessoas monitoram quantos passos deram a cada dia, controlam os nutrientes de cada refeição, checam a quantidade de açúcar no sangue, a pressão arterial e até se submetem a um eletrocardiograma sem sair de casa. (...)
Não acredito que essas ferramentas substituam o médico. Ele continuará sendo fundamental para orientar o paciente na escolha dos aplicativos de qualidade (sim, há muita porcaria por aí) e na interpretação dos resultados. O médico continuará sendo o responsável por fazer diagnóstico e orientar o tratamento. E também por confortar, entender, ter empatia – tudo o que a máquina não é capaz de fazer.
SEGATTO, C. Uma consulta com o dr. Smartphone. In: Época.16/08/2013. Disponível em: < http://epoca.globo.com/colunas-e-blogs/cristiane-segatto/noticia/2013/08/uma-consulta-com-o-dr-smartphone.html>. Acesso em: 17 set. 2013.
Comparando-se os textos 1 e 2, é correto afirmar que ambos:
Provas
Questão presente nas seguintes provas
A agressividade do meio ambiente está relacionada às ações físicas e químicas que atuam sobre as estruturas de concreto, independentemente das ações mecânicas, das variações volumétricas de origem térmica, da retração hidráulica e outras previstas no dimensionamento das estruturas de concreto. Nos projetos das estruturas correntes, a agressividade ambiental deve ser classificada de acordo com o apresentado na tabela baixo, extraída da NBR 6118-2003 e pode ser avaliada, simplificadamente, segundo as condições de exposição da estrutura ou de suas partes.
Tabela 6.1 - Classes de agressividade ambiental
|
Classe de agressividade ambiental |
Agressividade |
Classificação geral do tipo de ambiente para efeito de projeto |
Risco de deterioração da estrutura |
| I | Fraca | ||
| Submersa | Insignificante | ||
| II | Moderada | Urbana1), 2) | Pequeno |
| III | Forte | Grande | |
| Industrial 1), 2) | |||
| IV | Muito Forte | Industrial 1),3) | Elevado |
Analisando a tabela acima, verificamos que estão faltando os tipos de ambientes para efeito de projeto nas Classes de agressividade I, III e IV. Assinale a alternativa correta que expressa respectivamente os tipos de ambiente faltantes.
Provas
Questão presente nas seguintes provas
Na verificação de um muro de arrimo, seja qual for a sua seção, devem ser investigadas as seguintes condições de estabilidade: tombamento, deslizamento da base, capacidade de carga da fundação e ruptura global. O projeto é conduzido assumindo-se um pré dimensionamento e, em seguida, verificando-se as condições de estabilidade. Abaixo estão demonstradas as condições de estabilidade de muros de arrimo enumeradas de 1 a 4.

Analisando as figuras acima, marque a alternativa correta onde está descrita a sequência correspondente às figuras:
Provas
Questão presente nas seguintes provas
A figura abaixo representa uma parede de alvenaria contínua sem aberturas, sofrendo um carregamento de compressão. Analisando as fissuras que apareceram, pode-se afirmar que as fissuras são decorrentes de:

Provas
Questão presente nas seguintes provas
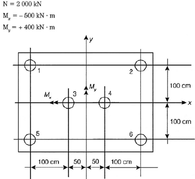
A carga atuante nas estacas do bloco abaixo, sabendo-se que no mesmo atuam as seguintes cargas (consideradas na cota de arrasamento) será igual:

Provas
Questão presente nas seguintes provas
De acordo com o carregamento representado na figura abaixo, a largura b e altura h respectivamente, de uma viga de madeira que deverá suportar este carregamento deverão ser de:
Utilizar σ mad. = 10 MPa e h ≡ 3b.

Provas
Questão presente nas seguintes provas
Uma força inclinada de 35kN que faz ângulo de 30º com o eixo x, foi aplicado a uma estrutura isostática conforme demonstrado abaixo. As reações no apoio para esta estrutura serão respectivamente:
Dados: sen 30º = 0,50 e cos 30º = 0,86

Provas
Questão presente nas seguintes provas
Uma caixa d'água cilíndrica metálica com 14m de diâmetro interno, abastecerá um condomínio horizontal com 422 casas onde fora considerado 06 habitantes por residência, com consumo diário de 200litros por habitante e capacidade de reserva da caixa d'água cilíndrica para 05 dias. Calcule a tensão de compressão em Kgf/cm² em cada um dos 03 (três) pilares circulares de 100cm de diâmetro em concreto armado, que sustentarão a caixa d'água. Considerar que o peso deste reservatório metálico corresponderá a 6% do peso total do volume de água armazenada.
Provas
Questão presente nas seguintes provas
Cadernos
Caderno Container