Foram encontradas 60 questões.
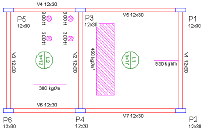
Você está atuando em uma obra que se encontra na fase de execução das estruturas, na etapa da confecção das fôrmas dos pilares e vigas. O setor de compras está no aguardo do envio do pedido de material para compra de madeira para ser utilizada na elaboração das fôrmas do Pavimento. De posse da planta de fôrma apresentada abaixo, calcule a quantidade total em metros quadrados de madeira necessária para confecção apenas dos pilares e das Vigas.
Adotar: Pé-direito de h= 2,80m
Comprimento das Vigas V1=V2=V3= 4,00m
Comprimento das Vigas V4=V6 = 2,60m
Comprimento das Vigas V5=V7 = 3,70m
Comprimento das Vigas V4=V6 = 2,60m
Comprimento das Vigas V5=V7 = 3,70m

Provas
Questão presente nas seguintes provas
TEXTO 2
Um novo aplicativo transforma o celular em uma espécie de consultório oftalmológico de bolso. Segundo a notícia publicada ontem, um pesquisador da Escola de Higiene e Medicina Tropical de Londres está testando a novidade em 5 mil pessoas no Quênia. (...)
Um novo aplicativo transforma o celular em uma espécie de consultório oftalmológico de bolso. Segundo a notícia publicada ontem, um pesquisador da Escola de Higiene e Medicina Tropical de Londres está testando a novidade em 5 mil pessoas no Quênia. (...)
No Quênia, assim como no Brasil, faltam médicos em localidades afastadas dos grandes centros. No nosso país, não faltam só médicos, como repetimos tantas vezes nesta coluna. Falta tudo: equipamentos, estrada, segurança (...)
A popularização dos celulares e as novas tecnologias móveis deveriam estar no radar de quem traça as políticas de saúde no país. Esses dispositivos podem reduzir custos e alcançar quem nunca terá a chance de estar diante de um médico de carne e osso, sempre que precisar. Com recursos móveis e aplicativos confiáveis, até mesmo enfermeiros ou profissionais de saúde de nível técnico poderiam ir até o paciente, fazer os exames e enviá-los aos médicos localizados a quilômetros de distância.
Como quase sempre política vira politicagem e as autoridades de saúde com perfil técnico são expurgadas do comando sempre que uma disputa eleitoral se avizinha, essa é mais uma discussão produtiva que deixa de ser feita.
Se dos governos podemos esperar poucas soluções coletivas e inteligentes para a saúde, o fenômeno das novas tecnologias móveis tem algo de libertador: os aplicativos, gadgets, sites e outros recursos dão poder ao indivíduo. (...)
Com um celular na mão e uns aplicativos espertos, as pessoas monitoram quantos passos deram a cada dia, controlam os nutrientes de cada refeição, checam a quantidade de açúcar no sangue, a pressão arterial e até se submetem a um eletrocardiograma sem sair de casa. (...)
Não acredito que essas ferramentas substituam o médico. Ele continuará sendo fundamental para orientar o paciente na escolha dos aplicativos de qualidade (sim, há muita porcaria por aí) e na interpretação dos resultados. O médico continuará sendo o responsável por fazer diagnóstico e orientar o tratamento. E também por confortar, entender, ter empatia – tudo o que a máquina não é capaz de fazer.
SEGATTO, C. Uma consulta com o dr. Smartphone. In: Época.16/08/2013. Disponível em: < http://epoca.globo.com/colunas-e-blogs/cristiane-segatto/noticia/2013/08/uma-consulta-com-o-dr-smartphone.html>. Acesso em: 17 set. 2013.
Assinale a alternativa em que o item até é empregado com o mesmo valor que em "checam a quantidade de açúcar no sangue, a pressão arterial e até se submetem a um eletrocardiograma sem sair de casa"
Provas
Questão presente nas seguintes provas
TEXTO 2
Um novo aplicativo transforma o celular em uma espécie de consultório oftalmológico de bolso. Segundo a notícia publicada ontem, um pesquisador da Escola de Higiene e Medicina Tropical de Londres está testando a novidade em 5 mil pessoas no Quênia. (...)
Um novo aplicativo transforma o celular em uma espécie de consultório oftalmológico de bolso. Segundo a notícia publicada ontem, um pesquisador da Escola de Higiene e Medicina Tropical de Londres está testando a novidade em 5 mil pessoas no Quênia. (...)
No Quênia, assim como no Brasil, faltam médicos em localidades afastadas dos grandes centros. No nosso país, não faltam só médicos, como repetimos tantas vezes nesta coluna. Falta tudo: equipamentos, estrada, segurança (...)
A popularização dos celulares e as novas tecnologias móveis deveriam estar no radar de quem traça as políticas de saúde no país. Esses dispositivos podem reduzir custos e alcançar quem nunca terá a chance de estar diante de um médico de carne e osso, sempre que precisar. Com recursos móveis e aplicativos confiáveis, até mesmo enfermeiros ou profissionais de saúde de nível técnico poderiam ir até o paciente, fazer os exames e enviá-los aos médicos localizados a quilômetros de distância.
Como quase sempre política vira politicagem e as autoridades de saúde com perfil técnico são expurgadas do comando sempre que uma disputa eleitoral se avizinha, essa é mais uma discussão produtiva que deixa de ser feita.
Se dos governos podemos esperar poucas soluções coletivas e inteligentes para a saúde, o fenômeno das novas tecnologias móveis tem algo de libertador: os aplicativos, gadgets, sites e outros recursos dão poder ao indivíduo. (...)
Com um celular na mão e uns aplicativos espertos, as pessoas monitoram quantos passos deram a cada dia, controlam os nutrientes de cada refeição, checam a quantidade de açúcar no sangue, a pressão arterial e até se submetem a um eletrocardiograma sem sair de casa. (...)
Não acredito que essas ferramentas substituam o médico. Ele continuará sendo fundamental para orientar o paciente na escolha dos aplicativos de qualidade (sim, há muita porcaria por aí) e na interpretação dos resultados. O médico continuará sendo o responsável por fazer diagnóstico e orientar o tratamento. E também por confortar, entender, ter empatia – tudo o que a máquina não é capaz de fazer.
SEGATTO, C. Uma consulta com o dr. Smartphone. In: Época.16/08/2013. Disponível em: < http://epoca.globo.com/colunas-e-blogs/cristiane-segatto/noticia/2013/08/uma-consulta-com-o-dr-smartphone.html>. Acesso em: 17 set. 2013.
Assinale a alternativa em que, assim como em politicagem, o sufixo expressa valor pejorativo.
Provas
Questão presente nas seguintes provas
Em fundações profundas, as estacas classificam-se quanto à forma de trabalho como estacas de ponta, atrito e mista. A capacidade de carga de uma estaca por atrito, ou flutuante, se dá:
Provas
Questão presente nas seguintes provas
Você fora acionado para realizar uma vistoria em uma obra executada em concreto armado. Ao chegar à obra, verificou a existência de uma fissura em uma viga de concreto armado. A fissura estava localizada próxima a um dos apoios e tinha inclinação de 45° em relação ao eixo da viga. Com base na inspeção visual executada, pode-se afirmar que a fissura foi causada por:
Provas
Questão presente nas seguintes provas
TEXTO 1
Hoje, no Brasil, a ideia dominante de saúde que circula no sistema social como um todo associa a saúde a bens/serviços de consumo, entendidos como expressões concretas da tecnologia médico-sanitária. Segundo essa idéia, tais bens/serviços de consumo “contêm saúde”, como um valor enraizado no conhecimento científico. Esses bens e serviços, assim caracterizados, se consumidos, produziriam nos indivíduos estados de bem-estar, através da transferência da saúde que está nos produtos para o corpo das pessoas.
Hoje, no Brasil, a ideia dominante de saúde que circula no sistema social como um todo associa a saúde a bens/serviços de consumo, entendidos como expressões concretas da tecnologia médico-sanitária. Segundo essa idéia, tais bens/serviços de consumo “contêm saúde”, como um valor enraizado no conhecimento científico. Esses bens e serviços, assim caracterizados, se consumidos, produziriam nos indivíduos estados de bem-estar, através da transferência da saúde que está nos produtos para o corpo das pessoas.
Assim, a saúde se “descoletiviza” ou se “individualiza” pelo consumo de um conjunto de bens ditos de “saúde”. (...) A evolução tecnológica e o consumismo em saúde geram, por sua vez, a idéia correspondente de que não é preciso que uma sociedade seja saudável para que cada um de nós o seja.
Quando se fala em saúde como bem de consumo coletivo e se agrega a isso a perspectiva política de democratização da saúde, está se pensando na generalização do acesso aos bens e serviços ditos de “saúde”, de forma que se possa argumentar – erradamente – que a saúde se coletiviza para o conjunto da sociedade à medida que todos podem ter acesso individual à “sua saúde”. (...) O que se chama erroneamente de saúde coletiva, envolvendo o acesso generalizado ao consumo dos chamados bens e serviços de saúde, deve ser chamado pelo seu verdadeiro nome: assistência médica. Como então suprimir a doença?
Se a saúde vira responsabilidade individual do consumidor de “saúde” e a chamada “saúde como dever do Estado” acaba se confundindo com a democratização do acesso individual aos bens e serviços médicos, onde e com quem fica a responsabilidade pela verdadeira saúde coletiva, entendida como propiciar condições sociais, culturais, e econômicas para gerar modos de vida não-doentes? Há várias respostas possíveis para esta questão:
1) “Fica em lugar nenhum e com ninguém.” Os que defendem essa posição (...) poderiam esgrimir os seguintes argumentos: a) o homem é o que é; b) as doenças sempre existiram e sempre existirão, são fatalidades como a fome e o frio; c) não há como criar sistemas sociais e culturais não geradores de doença; d) o único jeito é se proteger das doenças pelo consumo de “objetos saudáveis” (remédios, iogurtes, cirurgias, alimentos “diet”, planos de saúde etc.).
2) “Fica no céu da utopia com os poetas, revolucionários e sanitaristas sonhadores, que querem mudar o mundo.”
3) “Fica na terra, com uma entidade abstrata (...). No caso da Saúde, é o Ministério da Saúde (a voz anônima que adverte, nos maços de cigarro, que fumar é prejudicial à saúde) ou a Secretaria da Saúde.”
4) “Fica na terra, em cada um de nós, na medida em que admitamos: a) que as doenças não são uma fatalidade: a maioria das que atingem o grosso da população podem ser eliminadas se nós estivermos coletivamente dispostos para tanto; b) que, ao só defendermos a saúde de cada um com remédios, iogurtes, camisinhas, estamos salvando nossa pele como indivíduos, mas ‘cevando’ a doença; c) que o Estado não fará o trabalho por nós porque ele não é uma entidade abstrata, fora de nós, mas a expressão concreta da nossa consciência ou falta de consciência; d) que, mesmo se todos nós pudermos consumir ‘objetos saudáveis’, a doença continuará a existir e a nos ameaçar como espécie animal; e) que, enfim, a eliminação das doenças não é um problema tecnológico, mas de vontade coletiva.”
LEFÈVRE, F. Você decide. In: Superinteressante. Edição 62. Nov. 1992. Disponível em: <http://super.abril.com.br/saude/desconsumizar saude-voce-decide-440511.shtml>. Acesso em 17 set. 2013.
Ao marcar com aspas a expressão "contêm saúde", o autor:
Provas
Questão presente nas seguintes provas
O volume de concreto para a planta baixa de forma abaixo é:

Provas
Questão presente nas seguintes provas
TEXTO 2
Um novo aplicativo transforma o celular em uma espécie de consultório oftalmológico de bolso. Segundo a notícia publicada ontem, um pesquisador da Escola de Higiene e Medicina Tropical de Londres está testando a novidade em 5 mil pessoas no Quênia. (...)
Um novo aplicativo transforma o celular em uma espécie de consultório oftalmológico de bolso. Segundo a notícia publicada ontem, um pesquisador da Escola de Higiene e Medicina Tropical de Londres está testando a novidade em 5 mil pessoas no Quênia. (...)
No Quênia, assim como no Brasil, faltam médicos em localidades afastadas dos grandes centros. No nosso país, não faltam só médicos, como repetimos tantas vezes nesta coluna. Falta tudo: equipamentos, estrada, segurança (...)
A popularização dos celulares e as novas tecnologias móveis deveriam estar no radar de quem traça as políticas de saúde no país. Esses dispositivos podem reduzir custos e alcançar quem nunca terá a chance de estar diante de um médico de carne e osso, sempre que precisar. Com recursos móveis e aplicativos confiáveis, até mesmo enfermeiros ou profissionais de saúde de nível técnico poderiam ir até o paciente, fazer os exames e enviá-los aos médicos localizados a quilômetros de distância.
Como quase sempre política vira politicagem e as autoridades de saúde com perfil técnico são expurgadas do comando sempre que uma disputa eleitoral se avizinha, essa é mais uma discussão produtiva que deixa de ser feita.
Se dos governos podemos esperar poucas soluções coletivas e inteligentes para a saúde, o fenômeno das novas tecnologias móveis tem algo de libertador: os aplicativos, gadgets, sites e outros recursos dão poder ao indivíduo. (...)
Com um celular na mão e uns aplicativos espertos, as pessoas monitoram quantos passos deram a cada dia, controlam os nutrientes de cada refeição, checam a quantidade de açúcar no sangue, a pressão arterial e até se submetem a um eletrocardiograma sem sair de casa. (...)
Não acredito que essas ferramentas substituam o médico. Ele continuará sendo fundamental para orientar o paciente na escolha dos aplicativos de qualidade (sim, há muita porcaria por aí) e na interpretação dos resultados. O médico continuará sendo o responsável por fazer diagnóstico e orientar o tratamento. E também por confortar, entender, ter empatia – tudo o que a máquina não é capaz de fazer.
SEGATTO, C. Uma consulta com o dr. Smartphone. In: Época.16/08/2013. Disponível em: < http://epoca.globo.com/colunas-e-blogs/cristiane-segatto/noticia/2013/08/uma-consulta-com-o-dr-smartphone.html>. Acesso em: 17 set. 2013.
No trecho “No Quênia, assim como no Brasil, faltam médicos em localidades afastadas dos grandes centros”, a expressão sublinhada tem como função sintática:
Provas
Questão presente nas seguintes provas
Se utilizarmos o método das Bielas comprimidas para dimensionar uma sapata rígida para um pilar de seção (20x30) cm, com carga centrada de 40 tf, tensão admissível do solo de 30 tf/m² e o Fck de 20 MPa para o concreto, termos uma sapata com as dimensões A e B respectivamente iguais a:

Provas
Questão presente nas seguintes provas
A figura abaixo representa um carregamento distribuído aplicado a uma viga bi-apoiada.

Desprezado o peso próprio da viga, as reações no primeiro, no segundo apoio e o momento fletor no meio do vão são, respectivamente:
Provas
Questão presente nas seguintes provas
Cadernos
Caderno Container