Foram encontradas 50 questões.
Uma instalação de baixa tensão possui quatro tipos de equipamentos com quantidades e potências instaladas variadas, conforme mostra a Tabela abaixo:

A figura abaixo mostra a curva de demanda diária registrada para essa instalação, cujo valor médio é 110 kW.

O fator de carga dessa instalação é aproximadamente:
Provas
Medidores instalados pela equipe de manutenção, próximos aos consumidores de baixa tensão, mediram em determinado ponto da rede valores de tensão em torno de 350 V. A partir dessa constatação, a equipe decidiu mudar o tape do transformador do tape 2 (13.800 V) para o tape 3 (13.200 V). Após esta mudança de tape novas medições na baixa tensão foram realizadas, a partir das quais observou-se que:
Provas
De acordo com a figura abaixo é correto afirmar que o ambiente representado terá:

Provas
Qual seção nominal dos condutores deve ser adotada?
Provas
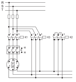
A respeito da partida de motores utilizando chave estrela-triângulo, cujo diagrama é representado ao lado, considere as afirmativas:
I. No instante da partida somente k1 e k2 devem estar energizados.
II. Após o chaveamento para ligação em triângulo, somente k1 e k3 estarão energizados.
III. Em regime normal de operação, somente k1 e k2 devem estar energizadas.
Estão corretas apenas as afirmativas:

Provas
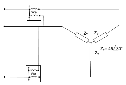
O circuito trifásico, 380 V, com sequência de fase ABC alimenta cargas equilibradas ligadas em estrela, conforme mostrado na figura abaixo.

As leituras nos wattímetros Wa e Wc são respectivamente:
Provas
Sabendo o valor das impedâncias ZAB, ZBC e ZCA da carga trifásica ligada em Delta, as impedâncias da ligação em estrela são:

Provas
O transformador trifásico, 75 kVA, ligação Delta-Estrela aterrada, 13.800-380/220 V do diagrama unifilar apresentado na figura abaixo é protegido por um conjunto de três chaves fusíveis, sendo uma chave fusível em cada fase.

Ao ocorrer uma falta na bucha da fase C do primário do transformador pode-se afirmar que:
Provas
Seja o circuito magnético mostrado na figura abaixo e sabendo que a relutância do Ferro vale 3.103 A.e/Wb e a do entreferro vale 4.105 A.e/Wb e que o número de espiras N=500, o valor aproximado da indutância L do circuito, em Henry é de:

Provas
Um eletrotécnico recém contratado para a área de manutenção recebeu a missão de realizar as manobras nos equipamentos mostrados no diagrama unifilar da figura abaixo, com o objetivo de colocar o religador em operação, após realizado o serviço de manutenção. Indique a sequência correta de manobras para colocar o religador em serviço.

Provas
Caderno Container