Foram encontradas 50 questões.

Provas
Questão presente nas seguintes provas

Provas
Questão presente nas seguintes provas

Provas
Questão presente nas seguintes provas

Provas
Questão presente nas seguintes provas

Provas
Questão presente nas seguintes provas

Provas
Questão presente nas seguintes provas

Provas
Questão presente nas seguintes provas
De acordo com as unidades básicas do Sistema Internacional de Unidades (SI) o nome das unidades
correspondentes às grandezas: massa, comprimento, tempo, intensidade luminosa e temperatura, são
respectivamente:
Provas
Questão presente nas seguintes provas
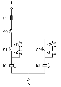
A Figura abaixo mostra o diagrama de comando de dois motores acionados pelos contactores K1 (Motor 1) e K2 (Motor 2):

Analisando o diagrama, é correto afirmar que:
Provas
Questão presente nas seguintes provas
Um motor trifásico de 30 HP, 380 V, utiliza uma chave estrela-triângulo na partida. A relação entre a
corrente de partida ( Ip ) e a corrente nominal ( In ) é
. Considerando 1 HP igual a
aproximadamente 746 W pode-se afirmar que a corrente de partida deste motor é igual a:
Provas
Questão presente nas seguintes provas
Cadernos
Caderno Container