Foram encontradas 1.130 questões.
Uma pequena esfera de 10 g de massa está presa a um barbante. Se esta esfera está girando em torno de um ponto que pode ser considerado o centro de uma circunferência de raio igual a 10 cm, com uma velocidade de módulo igual a 10 m/s, podemos afirmar que a força exercida pelo barbante sobre a esfera é aproximadamente igual a:
Provas
Um projétil é lançado horizontalmente do alto de um penhasco com uma velocidade de 72 km/h. Se o projétil atinge o solo após 4 segundos, qual é o seu alcance horizontal?
Provas
Um viajante passa sobre uma bela ponte na região dos Andes Colombianos. Para estimar a altura da ponte, ele solta uma pedra e registra com um cronômetro que ela leva 2 segundos para atingir a água abaixo do vão principal da ponte. Se a resistência do ar for considerada desprezível, o valor que mais se aproxima da altura da ponte é:
Provas
Acredita-se que a idade do Universo seja de !$ t_U = 5.10^{17}\,s !$ e que o tempo de vida de uma certa partícula elementar, denominada de múon, seja de !$ t_M = 0,9\,ms !$ . Então, podemos afirmar que !$ t_U/ t_M !$ vale, aproximadamente:
Provas
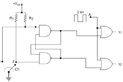
O circuito apresentado na figura abaixo é formado por duas portas lógicas NAND e duas portas lógicas OR, ligadas conforme a figura. Na entrada é inserida uma onda quadrada de !$ 2 KH !$ A chave !$ Ch !$ pode ser colocada ou na posição (1) ou na posição (2). Escolha a alternativa correta:

Provas
Para o circuito apresentado na figura abaixo, encontre a tensão e a corrente de dreno do transistor FET.
Dados do problema: !$ V_t = 2,00\,V; \,\,\,K_n^ \prime { \begin{pmatrix} { \large W \over L} \end{pmatrix}} = 0,25 mA/V !$

Provas
Um disco de metal de massa igual a 1,00 kg se desloca horizontalmente sobre uma mesa sem atrito a uma altura de 10,0 m acima do solo. Nesse instante sua velocidade é igual a + 5,00 m/s. Assim que o disco deixa a mesa, o mesmo sofre uma força constante de resistência do ar !$ (F_{ar} !$ no sentido positivo do eixo-y, igual a +3,00 N até o instante em que o mesmo toca o solo. Sendo a aceleração da gravidade !$ g = ( - 9,80 \vec j ) m/s^2 !$ , o sentido positivo do eixo-y para cima e o sentido positivo do eixo-x da esquerda para a direita, escolha a alternativa correta.
Provas
Seja uma sala com três interruptores de luz espalhados pela mesma. Pode-se acender ou apagar uma única lâmpada da sala mudando o estado de qualquer um dos interruptores, ou seja, se em um determinado estado a luz estiver apagada, então variando o estado de um dos interruptores a luz acenderá e vice-versa. A luz estará apagada quando os três interruptores estiverem desligados, ou seja, !$ A\,\,B\,\,C = 0\,0\,0 !$. Qual das expressões booleanas a seguir implementa o circuito de controle de acendimento da lâmpada?
Provas
Um cabo coaxial é constituído, basicamente, por dois condutores concêntricos. Um fio condutor de raio a revestido por uma casca condutora de raio !$ b !$, sendo !$ (a < b) !$ e os condutores isolados entre si. Cabos coaxiais são muito usados para transmissão de sinais (conexão do sinal de TVs a cabo e de antenas de TVs digitais). Devido à sua geometria, o mesmo pode ser visto como um capacitor cilíndrico. Seja, então, um cabo coaxial de comprimento !$ L = 100\,m !$, cujo condutor interno possui um raio !$ a = 2,00mm !$ e carga !$ q = 10,0 \mu C !$ e cuja casca condutora externa possui um raio !$ b = 8,00 mm !$ e carga !$ q = - 10,0 \mu C !$. Qual a capacitância do cabo?
Dado: !$ K_e = 8,99 x10^9\,N. m^2/C^2 !$
Provas
Se 2,000 g de vapor d’água, a 100,0 ºC, na pressão atmosférica, ocupam um volume de 3342 cm3, quando este vapor é todo transformado em líquido, o mesmo ocupa um volume de 2,000 cm3. Calcule a variação da energia interna !$ ( \triangle U) !$ para este processo.
Outros dados: Calor latente da água no ponto de ebulição !$ L_{ag} = 2,26 x 10^6 J/ Kg !$;
Relação atm-Pascal: !$ 1,000\,atm = 101,3 x10^3 Pa !$
Provas
Caderno Container