Foram encontradas 50 questões.

O principal objetivo do texto é:
Provas

Para o autor, o controle da comunicação na Internet é:
Provas

De acordo com o texto, é correto afirmar que:
Provas

O texto afirma que “Empresas (...) estão realizando intrusões em computadores pessoais” (linhas 19-22). Isso ocorre, segundo o autor:
Provas

No trecho “...algumas poucas corporações estão buscando legitimar a alteração no imaginário sociail sobre o espaço da privacidade em um mundo inseguro” (linhas 18-19), o autor afirma que algumas empresas:
Provas

O termo grifado em “...pois isto seria indispensável para um combate ágil e eficaz ao terrorismo” (linhas 10-11) refere-se:
Provas

De acordo com o texto, a espionagem americana:
Provas
Com relação às fontes de computadores do tipo ATX, assinale a alternativa correta.
Provas
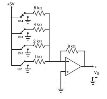
Assinale a alternativa que representa o valor de saída do conversor digital analógico quando a entrada recebe o valor de 9 BCD. A chave CH1 é a menos significativa.

Provas
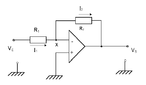
Sendo R2 = 15 Kohms e R1 = 5 Kohms, assinale a alternativa que representa o ganho do circuito da figura abaixo:

Provas
Caderno Container