Foram encontradas 40 questões.

Provas
Analise o diagrama unifilar da figura abaixo e as assertivas a seguir:

I. O circuito 2 é um circuito de força, que alimenta as tomadas da garagem, dormitório e sala. Segundo a NBR 5410, deve-se utilizar condutores de 2,5 mm2 .
II. O circuito 1 é um circuito de iluminação, alimentando as luminárias da cozinha, garagem, dormitório, sala, banheiro e lavanderia. Segundo a NBR 5410, poder-se-á utilizar condutores de 1,5 mm2 .
III. A instalação não possui nenhum circuito bifásico.
IV. De acordo com a NBR 5410, os condutores de terra deverão ser de cor azul claro, e os condutores de neutro, de cor verde.
Quais estão corretas?
Provas
Provas
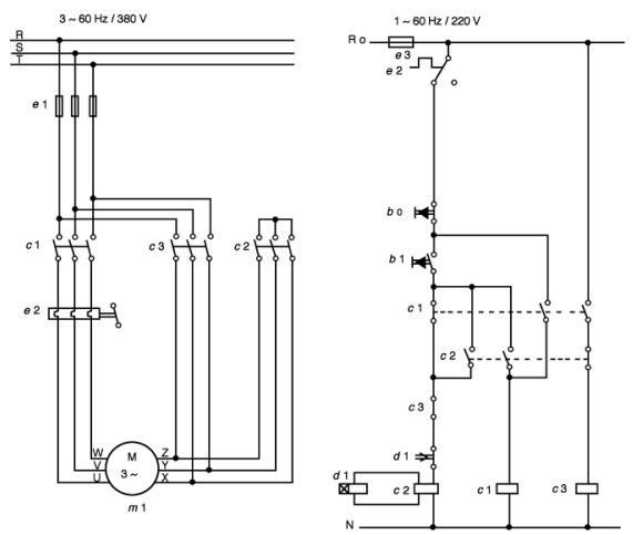
Analise a figura abaixo e as assertivas a seguir:

I. A figura apresenta os diagramas de força e de controle de um acionamento estrela-triângulo de máquina trifásica de indução.
II. No diagrama, o botão b1 ativa o acionamento da máquina.
III. Nesse tipo de acionamento, após um tempo pré-programado, a máquina inverte o sentido de rotação.
IV. As contactoras C1, C2 e o dispositivo de retardamento d1 são responsáveis pela sequência inicial de partida do motor em estrela.
Quais estão INCORRETAS?
Provas

Provas
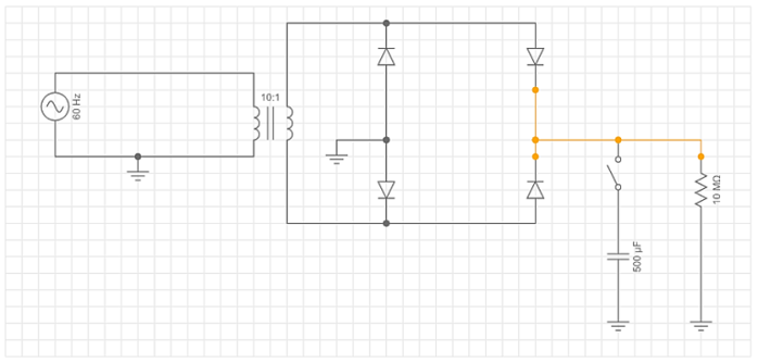
Analise a figura abaixo e as assertivas a seguir:

I. É um retificador de onda completa em ponte.
II. A posição, aberta ou fechada, da chave existente no circuito (em série com o capacitor) não altera o comportamento da tensão na carga (Resistor 10M Ohms).
III. Com a chave existente no circuito (em série com o capacitor) aberta, a corrente na carga (Resistor 10M Ohms) é pulsante.
IV. Com a chave existente no circuito (em série com o capacitor) fechada, a corrente na carga (Resistor 10M Ohms) passa a ser continua e constante.
Quais estão INCORRETAS?
Provas

Provas
A concessionária de energia elétrica solicitou que uma dada empresa fizesse com urgência o ajuste do fator de potência, medido em uma fiscalização em FP = 0,5. Sabendo que a potência real é P = 20 kW, determine o valor da carga corretiva (em V.A r) que deverá ser acoplada para que o novo valor do fator de potência seja FP = 1.
Provas
Determine a leitura do amperímetro no circuito da figura abaixo.

Provas
O diagrama abaixo representa um circuito digital comparador de 2 bits. Os operandos A [A1,A0] e B [B1,B0] são apresentados na entrada e, de acordo com os valores binários, a saída de comparação correspondente apresentará nível lógico alto.

Assinale a alternativa cuja expressão lógica corresponde à saída A>B.
Provas
Caderno Container