Foram encontradas 65 questões.
I as superfícies de trabalho devem ser aterradas
II os técnicos devem empregar pulseiras antiestáticas
III os materiais com dissipação estática e pisos constituídos de superfícies dissipativas podem ser necessários
Das afirmativas acima estão corretas:
Provas
Relacionando-se as formas apresentadas nas figuras a, b e c à classe de amplificadores correspondente, a opção correta é:
Provas
Determine o defasamento angular θ entre as duas formas de onda.
Provas
O número de espiras N deve ser
Provas
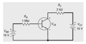
É dado que o circuito com transistor apresentado a seguir tem um ganho de corrente β = 100.

Considerando-se a tensão entre a base e o emissor do transistor igual a zero, o valor da tensão entre coletor e emissor no circuito apresentado é
Provas
Considere o circuito regulador de tensão apresentado na sequência.

Considerando-se a tensão de entrada igual 20 Vcc, a tensão do regulador zener igual a 12 Vcc, a corrente através do diodo zener igual a 20 mA e a corrente de carga através do resistor RL igual a 60 mA, determine o valor da resistência RZ.
Provas
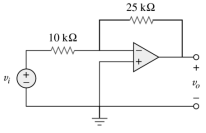
Analise o circuito com amplificador operacional apresentado a seguir.

Considerando-se que a tensão de saída é vo = 2,5 V, o valor da tensão de entrada vi é
Provas
A figura a seguir mostra um ohmímetro sendo utilizado para testar um diodo.

Considerando-se que o valor medido indica uma resistência de baixo valor, é correto afirmar que
Provas
Considere o circuito apresentado a seguir.

Determine o valor da tensão V2.
Provas
Considere o circuito apresentado a seguir:

O valor da resistência R para que a corrente IR seja igual a 5 A é
Provas
Caderno Container