Foram encontradas 65 questões.
Provas
Observe a ilustração:

O circuito apresentado acima é um
Provas
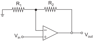
Considere que o amplificador operacional apresentado no circuito a seguir é ideal.

Se R1=R2, então a saída Vout será igual a
Provas
Ressonância é a condição em um circuito RLC em que as reatâncias capacitivas e indutivas são iguais em magnitude, resultando em um sistema puramente resistivo.

Para o circuito apresentado acima, o valor da frequência de ressonância, em Hz, é:
Provas
Se a corrente de base do transistor for IB= 5µA, o valor da corrente no coletor IC será
Provas
Observe a figura:

O valor da tensão que o multímetro apresentado na figura acima está medindo é
Provas
O valor da potência ativa dissipada em ZL para a condição de máxima transferência de potência da fonte VTh é
Provas
Considere o circuito com amplificador operacional apresentado a seguir.

O valor da tensão v0 na saída para a condição de va = 1 V e vb = −1 V é
Provas
Observe o transformador de núcleo de ferro apresentado a seguir:

Considerando-se as tensões primária (Ep) e secundária (Es), assim como o número de espiras no primário (Np=50), o número de espiras no secundário é
Provas
Dadas as propriedades magnéticas dos materiais e a experiência apresentada na figura anterior, é possível dizer que o cobre (Cu) é um material
Provas
Caderno Container