Foram encontradas 65 questões.
Provas
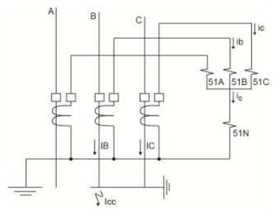
A figura abaixo representa esquema de proteção por relés diante da simulação de curto-circuito bifásico para a terra.

Nessas condições, o valor de i0 é representado por:
Provas
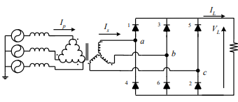
Considere o circuito retificador a seguir:

Dados: O valor da carga resistiva = 10 Ω.
Valor eficaz da tensão no secundário do transformador = 127 V.
Adotar: 3 = 1,73, 2 = 1,41 e π = 3,14.
Nessas condições, a corrente média na carga, em A, vale:
Provas
Provas
Provas
Provas
Considere as assertivas a seguir sobre a previsão de carga.
I A carga a considerar para um equipamento de utilização é a potência nominal por ele absorvida, dada pelo fabricante ou calculada a partir da tensão nominal, da corrente nominal e do fator de potência. II Nos casos em que for dada a potência nominal fornecida pelo equipamento (potência de saída), e não a absorvida, devem ser considerados o rendimento e o fator de potência.
III Para os aparelhos fixos de iluminação a descarga, a potência nominal a ser considerada deve incluir a potência das lâmpadas, as perdas e o fator de potência dos equipamentos auxiliares.
IV Em halls de serviço, salas de manutenção e salas de equipamentos, tais como casas de máquinas, salas de bombas, barriletes e locais análogos, deve ser previsto no mínimo um ponto de tomada para os circuitos terminais respectivos, o qual deve ser atribuída uma potência de no mínimo 100 VA.
Das assertivas acima, apenas:
Provas
Provas
A afirmativa a seguir se refere às questões de números 37, 38, 39 e 40.
A potência total suprida a um motor de indução do tipo gaiola, trifásico, é 5.500 W e as perdas correspondentes ao estator são 200 W.
Provas
A afirmativa a seguir se refere às questões de números 37, 38, 39 e 40.
A potência total suprida a um motor de indução do tipo gaiola, trifásico, é 5.500 W e as perdas correspondentes ao estator são 200 W.
Provas
Caderno Container