Foram encontradas 50 questões.
Provas
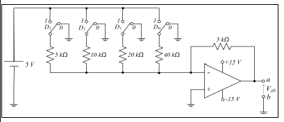
A figura a seguir é uma versão simplificada de um conversor digital/analógico de 4 bits. As chaves D3, D2, D1 e D0 representam o valor binário de entrada; elas apresentam nível lógico zero, quando estão na posição 0 (como mostrado na figura), e nível lógico 1, quando estão na posição 1. O amplificador operacional é ideal.

Com base nas informações apresentadas, qual é a tensão de saída, Vab, quando o valor binário de entrada for [D3 D2 D1 D0] = [0 1 1 0]?
Provas
Provas
O bloco funcional básico de um circuito lógico sequencial é o circuito biestável (flip-flop). A figura a seguir mostra um flip-flop tipo RS.

Qual é o modo de operação do circuito mostrado, para uma entrada S = 1 e R = 1?
Provas
Provas
Provas
O mapa de Karnaugh é uma técnica utilizada para a simplificação de circuitos lógicos. A figura a seguir mostra o mapa de Karnaugh resultante de um circuito que se deseja simplificar.
| \( \bar{C} \) | \( C \) | |
| \(\overline{A}.\overline{B}\) | 1 | |
|
\(\overline{A}.B\) |
1 | |
| \(A.\overline{B}\) | 1 | 1 |
| \(A.B\) | 1 |
Qual é a expressão booleana resultante do mapa mostrado?
Provas
A figura a seguir representa um circuito lógico com três entradas, A, B e C, e uma saída Y.

A expressão que representa uma forma simplificada de Y é
Provas
Uma fonte chaveada é, essencialmente, um conversor CC-CC com controle da amplitude da tensão de saída. A figura a seguir mostra a estrutura básica de uma fonte chaveada.

Qual é a função do diodo mostrado na figura?
Provas
O gráfico a seguir mostra os limites de operação de alguns componentes da eletrônica de potência.

Dentre os dispositivos semicondutores mostrados, qual é o mais adequado para chaveamento na frequência industrial da rede, com tensões e correntes elevadas e em modo de comutação natural?
Provas
Caderno Container