Magna Concursos

Foram encontradas 50 questões.

1473568 Ano: 2018
Disciplina: Eletroeletrônica
Banca: UFG
Orgão: UFG

A figura a seguir mostra a estrutura equivalente, formada por transistores, de um dispositivo de eletrônica de potência.

Enunciado 1473568-1

Como acontece a saída de condução desse dispositivo?

 

Provas

Questão presente nas seguintes provas
1473567 Ano: 2018
Disciplina: Eletroeletrônica
Banca: UFG
Orgão: UFG
Amplificadores operacionais são circuitos integrados analógicos projetados para amplificação linear e que são utilizados, por exemplo, como amplificador de instrumentação, amplificador de banda larga de baixo ruído e amplificador de propósito geral. Um amplificador operacional ideal apresenta
 

Provas

Questão presente nas seguintes provas
1473566 Ano: 2018
Disciplina: Eletroeletrônica
Banca: UFG
Orgão: UFG

A figura a seguir mostra um circuito amplificador com transistor bipolar de junção (TBJ) na configuração coletor comum.

Enunciado 1473566-1

Na configuração mostrada, a tensão de saída tem

 

Provas

Questão presente nas seguintes provas
1473565 Ano: 2018
Disciplina: Eletroeletrônica
Banca: UFG
Orgão: UFG

A figura a seguir mostra a curva característica de um transistor bipolar de junção do tipo NPN, destacando quatro regiões: 1, 2, 3 e 4.

Enunciado 1473565-1

Na figura mostrada, o transistor comporta-se como chave fechada na região

 

Provas

Questão presente nas seguintes provas
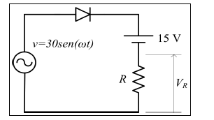
1473564 Ano: 2018
Disciplina: Eletroeletrônica
Banca: UFG
Orgão: UFG

No circuito a seguir, todos os componentes são ideais.

Enunciado 1473564-1

Qual é a forma de onda da tensão VR, sobre o resistor R, em um ciclo da tensão v?

 

Provas

Questão presente nas seguintes provas
1473563 Ano: 2018
Disciplina: Eletroeletrônica
Banca: UFG
Orgão: UFG
A junção PN, formada por um semicondutor do tipo P e outro de tipo N, apresenta movimentação de portadores de carga (corrente) em diferentes graus de intensidade, quando polarizada diretamente, quando está sob polarização inversa e quando não está polarizada. Nessa junção, a corrente de portadores minoritários é denominada de
 

Provas

Questão presente nas seguintes provas
1473562 Ano: 2018
Disciplina: Eletroeletrônica
Banca: UFG
Orgão: UFG
Um dos circuitos de uma instalação elétrica residencial tem como corrente de projeto 17 A. A capacidade de corrente do condutor escolhido é de 24 A. A corrente nominal do disjuntor que protege este circuito deve ser de
 

Provas

Questão presente nas seguintes provas
1473543 Ano: 2018
Disciplina: Segurança e Saúde no Trabalho (SST)
Banca: UFG
Orgão: UFG
Com relação ao condutor neutro de uma instalação elétrica de baixa tensão, a norma NBR 5410:2008 determina que o condutor neutro
 

Provas

Questão presente nas seguintes provas
1473542 Ano: 2018
Disciplina: Eletroeletrônica
Banca: UFG
Orgão: UFG
Em uma avaliação, foi determinado que o acionamento de um motor de indução trifásico deveria ser feito por meio de chave estrela-triângulo. Assim, durante a partida em estrela, o conjugado do motor foi reduzido para
 

Provas

Questão presente nas seguintes provas
1473541 Ano: 2018
Disciplina: Eletroeletrônica
Banca: UFG
Orgão: UFG

A figura a seguir mostra um motor de corrente contínua (motor CC) em derivação, 250 V, com valores típicos de EA e RA.

Enunciado 1473541-1

O controle de velocidade deste motor CC pode ser feito pelo ajuste da resistência de campo RF. Nesta situação, em caso de aumento da resistência de campo RF,

 

Provas

Questão presente nas seguintes provas