Foram encontradas 50 questões.
A confiabilidade e a mantenabilidade são características encontradas em máquinas. É definição de manutenção preventiva:
Provas
Uma escala termométrica arbitrária T atribui o valor 10 ºT para a temperatura de fusão do gelo e 60 ºT para a temperatura de ebulição da água, sob pressão normal. Quando a temperatura de um corpo sofre uma variação de 30 ºT, a correspondente variação na escala Celsius é de
Provas
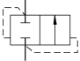
A norma ISO 1219 estabelece símbolos gráficos para representar sistemas e componentes hidráulicos e pneumáticos. Conforme a ISO 1219, há correspondência entre símbolo e descrição em
Provas
Os fluidos de corte cumprem uma ou mais das seguintes funções: refrigerar, lubrificar e proteger a ferramenta, a peça e a máquina contra oxidação e corrosão. Os fluidos de corte responsáveis pela redução do gume postiço são
Provas
Nas operações de goivagem, corte por plasma e soldagem elétricas, algumas regras de segurança referente ao local de trabalho, à segurança pessoal e ao equipamento complementam as normas regulamentadoras específicas. É considerada uma regra complementar:
Provas
A resistência à tração é uma das características mais importantes na seleção de um material, especialmente se este for elemento de responsabilidade estrutural. O teste de tração fornece a informação da medida
Provas
A metalurgia da soldagem estuda as alterações das propriedades mecânicas dos materiais após sofrerem a ação de algum processo de soldagem. É orientação constante em soldagem de metais ferrosos com altos teores de carbono ou de elementos de liga:
Provas
A Norma Regulamentadora n. 10 estabelece os requisitos e as condições que garantem a segurança e a saúde dos trabalhadores que interajam com eletricidade. De acordo com a NR-10,
Provas
Segundo a norma ASME, uma posição de soldagem para chapa é
Provas
A figura a seguir ilustra o processo de soldagem GTAW (Gas-Shielded Tungsten Arc Welding).

É característica desse processo
Provas
Caderno Container