Foram encontradas 50 questões.
Uma carga elétrica monofásica é ligada aos terminais de uma fonte senoidal que gera uma tensão v (t)=50 cos (377t+30º ) V. A corrente absorvida pela carga é i(t)=10 sen(377 t−15º) A. Considerando o sistema em regime permanente, calcule a potência média absorvida pela carga:
Provas
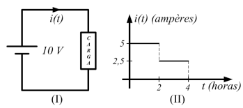
Observe as figuras I e II desta questão. A figura I representa a fonte de tensão contínua de 10 volts suprindo a carga. O gráfico da figura II descreve a corrente, i(t), através da carga durante o tempo.

O valor da energia consumida pela carga no circuito da figura I, cuja corrente está representada no gráfico da figura II, durante as quatro primeiras horas, é:
Provas
Considere o circuito trifásico a seguir.

!$ Dados: \sqrt 2 \simeq 1,41 \ \ e \ \ \sqrt 3 \simeq 1,73 !$
O módulo e ângulo do fasor de linha !$ \widehat{V} _{AB} !$ são 208 V e 0 o , respectivamente. A sequência de fases é positiva. O módulo e o ângulo do fasor corrente !$ \widehat {I} !$ são, respectivamente:
Provas
No circuito representado pela figura, a tensão da fonte é v (t )=100√2cos(100 t) volts, a resistência é R=4 !$ Ω !$ e a indutância é L=30mH

Neste caso, a potência média dissipada na carga RL é
Provas
No circuito mostrado a seguir,

determine a tensão V na fonte de corrente e a corrente I no resistor R.
Provas
O gráfico da figura abaixo indica a quantidade de cargas em coulombs, q(t), que atravessou a secção transversal de um condutor elétrico para um dado instante no tempo, t, em segundos.

A partir do gráfico da figura, a corrente no condutor no período de 0 s a 2 s é
Provas
Nas instalações elétricas residenciais de baixa tensão, segundo a NBR 5410:2004, o dispositivo de proteção por corrente diferencial residual não pode ser utilizado no esquema de aterramento
Provas
Qual das seguintes alternativas é considerada uma ação de eficiência energética?
Provas
O Programa Nacional de Conservação de Energia Elétrica é uma ação de governo coordenado pelo Ministério
Provas
Um medidor de energia elétrica trifásico é utilizado para tarifar uma unidade consumidora do grupo A4 suprida em tensão primária de linha de 13,8 kV. A unidade consumidora é tarifada em tensão primária e o medidor é conectado por meio de dois transformadores de potencial (TPs) conectados em Δ aberto, conforme representado na figura a seguir.

A tensão primária da rede está conectada aos terminais identificados com a letra H e o medidor trifásico está conectado na baixa tensão nos terminais identificados com a letra X. A tensão nominal de linha do medidor trifásico é 220 V. Nesta situação, a relação de transformação de cada um dos TPs será:
Provas
Caderno Container