Foram encontradas 50 questões.
O resultado de uma medição menos o valor verdadeiro do mensurando, segundo o vocabulário internacional de termos fundamentais e gerais de metrologia, é a definição
Provas
Um inversor utiliza modulação por largura de pulso senoidal para regular a frequência e a tensão de saída da carga. A frequência da componente fundamental da tensão de saída é determinada pela
Provas
O fornecimento de energia elétrica em tensão secundária de distribuição observa o valor da carga total instalada e também limites máximos para as potências de motores e máquinas de solda. À exceção dos casos em que a viabilidade seja previamente definida pela concessionária local, com base em estudo técnico-econômico, o fornecimento será em tensão secundária de distribuição para unidades consumidoras com
Provas
O motor elétrico de indução trifásico com rotor em gaiola é no presente a máquina elétrica com utilização mais frequente na indústria. É característica deste motor:
Provas
Um circuito elétrico é composto de uma fonte senoidal monofásica com impedância interna de 1 Ω , um transformador ideal monofásico com relação de espiras 1:8 e uma carga resistiva de 64 Ω . O circuito é conectado conforme a figura a seguir:

Determine a potência entregue à carga de 64 Ω:
Provas
Uma instalação elétrica trifásica, cuja tensão eficaz de linha é 220V , possui um quadro de terminal de cargas que alimenta um conjunto de fornos resistivos trifásicos equilibrados com potência total de 5kW e um grupo de motores de indução trifásicos equilibrados com potência ativa total de 20kW e potência reativa total de !$ {\large 25 \over \sqrt 3} \ \ kvar !$

O fator de potência do quadro terminal com as cargas descritas é:
Provas
Considere o circuito a seguir.

Durante o período de 1 minuto, a carga absorve 30 J de energia. Qual é a corrente I fornecida pela fonte?
Provas
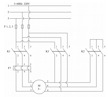
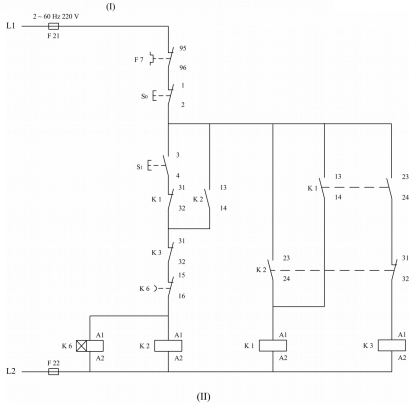
Analise os diagramas das figuras, a seguir, para responder à questão. As figuras (I) e (II) representam, respectivamente, os diagramas de potência e de comando de uma chave de partida estrela-triângulo para motor de indução trifásico


No diagrama de comando da figura (II), a bobina do contator K3 está permanentemente aberta devido a um defeito que interrompe a passagem de corrente. O que ocorrerá durante a partida do motor na presença deste defeito?
Provas
O dispositivo eletrônico de potência denominado chave eletrônica de partida suave ou soft-starter é empregado na partida de motores de indução trifásicos. Na partida com este tipo de chave,
Provas
A Norma Regulamentadora NR 10 estabelece medidas preventivas de controle do risco elétrico e de outros riscos adicionais, mediante técnicas de análise de risco, de forma a garantir a segurança e a saúde no trabalho. Uma das medidas preventivas de controle determinadas pela NR 10 é o dever de constituir e manter o Prontuário de Instalações Elétricas à disposição dos trabalhadores envolvidos nas instalações e nos serviços em eletricidade. Esta determinação é obrigatória para estabelecimentos que apresentem
Provas
Caderno Container