Foram encontradas 50 questões.
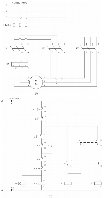
As figuras a seguir mostram, respectivamente, o circuito de
força (I) e o circuito de comando (II) para o acionamento de
motores de indução trifásicos pelo método estrela-triângulo.
O acionamento começa com a conexão em estrela e, após um
tempo pré-programado, comuta para a conexão em triângulo.

Qual a alternativa descreve o instante em que ocorre a comutação do estado aberto para o estado fechado do contato?

Qual a alternativa descreve o instante em que ocorre a comutação do estado aberto para o estado fechado do contato?
Provas
Questão presente nas seguintes provas
Um dormitório de forma retangular tem as dimensões
conforme a figura a seguir.

Neste caso, qual é o número mínimo de tomadas de uso geral (TUG’s) recomendado pela norma de instalações elétricas residenciais de baixa tensão (NBR 5410)?

Neste caso, qual é o número mínimo de tomadas de uso geral (TUG’s) recomendado pela norma de instalações elétricas residenciais de baixa tensão (NBR 5410)?
Provas
Questão presente nas seguintes provas
Um motor de indução trifásico de 4 polos opera com
frequência de 40 Hz e escorregamento de 5%. Nessas
condições, a velocidade do rotor é:
Provas
Questão presente nas seguintes provas
Um transformador monofásico ideal tem razão de
transformação de 1:2, do primário para o secundário. Uma
carga resistiva de 10 ohms, conectada ao secundário,
dissipa uma potência de 1000 W. Nessas condições, a
tensão no primário do transformador é:
Provas
Questão presente nas seguintes provas
Uma carga equilibrada trifásica com potência ativa total de
9 kW, ligada em estrela, é alimentada com tensão eficaz de
fase de 200 V e corrente de linha de 25 A. Qual é o fator
de potência do circuito?
Provas
Questão presente nas seguintes provas
O circuito a seguir é linear.

O circuito foi ensaiado em laboratório. Utilizando-se um voltímetro, foram feitas duas medidas de tensão nos terminais a e b do circuito da figura.
(A) Com um resistor de 20 Ω conectado aos terminais a e b, mediu-se a tensão de 40 V.
(B) Com um resistor de 5 Ω conectado aos terminais a e b, mediu-se a tensão de 25 V.
Com base nestas informações, e do ponto de vista dos terminais a e b, a resistência equivalente de Thévenin do circuito é:

O circuito foi ensaiado em laboratório. Utilizando-se um voltímetro, foram feitas duas medidas de tensão nos terminais a e b do circuito da figura.
(A) Com um resistor de 20 Ω conectado aos terminais a e b, mediu-se a tensão de 40 V.
(B) Com um resistor de 5 Ω conectado aos terminais a e b, mediu-se a tensão de 25 V.
Com base nestas informações, e do ponto de vista dos terminais a e b, a resistência equivalente de Thévenin do circuito é:
Provas
Questão presente nas seguintes provas
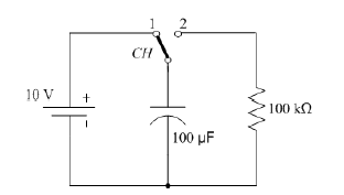
No circuito da figura a seguir, a chave CH está,
inicialmente, na posição 1 e o capacitor, carregado.

Se, no instante zero, a chave CH é comutada da posição 1 para a posição 2, então a corrente do circuito decai a cerca de

Se, no instante zero, a chave CH é comutada da posição 1 para a posição 2, então a corrente do circuito decai a cerca de
Provas
Questão presente nas seguintes provas
A figura a seguir é de um circuito com carga RLC alimentada por uma tensão v=200 sen(ωt)

Qual é o valor da frequência angular ω , em radianos por segundo, que resulta em uma corrente I máxima?
Provas
Questão presente nas seguintes provas
O circuito mostrado na figura a seguir é formado por elementos lineares.

Tenha em vista que um técnico de laboratório usou o princípio da superposição e, considerando o efeito somente da fonte de tensão, ou seja, com a fonte de corrente eliminada, mediu a tensão de 45 V no resistor de 30 Ω (observando a polaridade marcada no circuito). Com base nestas informações, a tensão V no resistor de 30 Ω, considerando o efeito das duas fontes, é:

Tenha em vista que um técnico de laboratório usou o princípio da superposição e, considerando o efeito somente da fonte de tensão, ou seja, com a fonte de corrente eliminada, mediu a tensão de 45 V no resistor de 30 Ω (observando a polaridade marcada no circuito). Com base nestas informações, a tensão V no resistor de 30 Ω, considerando o efeito das duas fontes, é:
Provas
Questão presente nas seguintes provas
No circuito da figura a seguir, a carga possui valores
nominais de 72 V e 1,2 A para operar corretamente.

A tensão V da fonte para que a carga opere nas condições nominais é a seguinte:

A tensão V da fonte para que a carga opere nas condições nominais é a seguinte:
Provas
Questão presente nas seguintes provas
Cadernos
Caderno Container