Foram encontradas 60 questões.
O orçamento e o controle de custos são fundamentais no planejamento de um empreendimento. Quanto ao orçamento detalhado de obras, analise as afirmativas a seguir.
I. O custo direto total da obra é obtido pelo somatório do produto “quantitativo x custo unitário” de cada um dos serviços necessários para a execução do empreendimento.
II. Para se calcular o custo unitário de um serviço, é preciso conhecer os insumos necessários para a realização desse serviço, cuja soma compõe o preço do serviço.
III. Os custos diretos compõem o preço final estimado para a obra.
IV. A taxa de Benefício e Despesas Indiretas (BDI) contempla o lucro da empresa construtora e seus custos indiretos.
Está correto apenas o que se afirma em.
Provas
- Transformadores e Máquinas ElétricasMáquinas EstáticasTransformadores Trifásicos e Autotransformadores
Um transformador isolado com potência nominal 10 kVA e relação de transformação de 1000 V / 100 V é conectado como um autotransformador de polaridade aditiva. Calcule a nova capacidade do transformador em KVA, sem que haja sobrecarga de corrente nos enrolamentos do transformador, e também a corrente de entrada do transformador, quando utilizado como elevador. Em seguida, assinale a alternativa correta.
Provas
Considere um sistema trifásico balanceado ligado em Y (estrela). Tomando a tensão de fase !$ V_{an} !$ como referência, e, sabendo que o módulo da sua amplitude é de 127 V com um ângulo de 0 graus ( !$ V_{an} = 127 \angle 0^{ \circ} !$), qual deverá ser o valor das tensões de linha Vab, Vbc e Vca?
Provas
Qual será a impedância equivalente (!$ Z_{eq} !$) quando as impedâncias !$ Z_1 = 10 \sqrt{3} + j5 \Omega,\,\,Z_2 = 100 \angle 30^{ \circ} \Omega !$ e !$ Z_3 = 5 \angle 90^{ \circ} !$ forem ligadas em série?
Provas
Considerando a norma NR 10 – “Segurança em instalações e serviços em eletricidade”, somente serão consideradas desenergizadas as instalações elétricas liberadas para trabalho, mediante os procedimentos apropriados, obedecida a uma sequência específica. Analise os procedimentos apresentados a seguir.
(1) impedimento de reenergização;
(2) instalação de aterramento temporário com equipotencialização dos condutores dos circuitos;
(3) constatação da ausência de tensão;
(4) seccionamento;
(5) proteção dos elementos energizados existentes na zona controlada;
(6) instalação da sinalização de impedimento de reenergização.
Assinale a alternativa que apresenta a sequência correta definida pela Norma citada.
Provas
Considerando que, após 5 constantes de tempo, os transitórios atingem 99,3% do seu valor final, é possível dizer que, em termos práticos, um transitório terá a duração de 5 constantes de tempo. Utilizando-se dessa aproximação, depois que a chave for fechada, o capacitor C, apresentado na figura a seguir, estará praticamente carregado após quantos segundos? Considere R1 = 2,5 k Ω, R2 = 7,5 k Ω e C = 100 !$ \mu !$F.

Provas
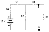
Para o circuito elétrico apresentado na figura a seguir, calcule a tensão (Vth) e a resistência (Rth) para o equivalente de Thévenin externo ao resistor de 8 ohms, ou seja, entre os pontos A e B desta figura. Considere a fonte de tensão igual a 12 Volts, R1 = 2,5 Ω, R2 = 9,5 Ω, R3 = 12 Ω, R4 = 6 Ω e R5 = 8 Ω. Em seguida, assinale a alternativa correta.

Provas
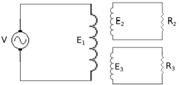
Para o sistema apresentado na figura a seguir, calcule o valor da corrente fornecida pela fonte e assinale a alternativa correspondente ao resultado. Considere V=100 Volts, E1=10, E2 = 5, E3 = 2, R2 = 12,5 Ω e R3 = 2 Ω.

Provas
Os dispositivos DR são utilizados para a proteção contra contatos indiretos qualquer que seja o esquema de aterramento utilizado (TN, TT ou IT). Sabe-se ainda que este dispositivo é obrigatório para situações específicas definidas pela NBR 5410. Assim, para este dispositivo de proteção de corrente residual (DR), é correto afirmar que
Provas
Considerando a norma NR 10 – “Segurança em instalações e serviços em eletricidade”, assinale a alternativa correta sobre as medidas de controle coletiva e as medidas de controle individual.
Provas
Caderno Container