Foram encontradas 60 questões.
A simbologia existe em praticamente todos os equipamentos de hidráulica e pneumática e essa simbologia também é usada para fazer a simulação das plantas existente nas indústrias.

No símbolo os traços representam:
Provas
Na automação industrial, utiliza-se de sensores digitais e analógicos. Um exemplo de sensor analógico é:
Provas
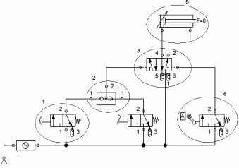
Na prática como nas simulações dos elementos pneumáticos, podemos utilizar vários elementos para executar uma função. Na planta representada a seguir, o elemento que representa a função “ou” é:

Provas
Um cilindro cujo volume inicial é de 50 litros, a uma temperatura de 30º C, terá qual volume quando a temperatura dobrar, mantendo a mesma pressão?
Provas
Utilizando portas lógicas para fazer uma programação, o símbolo que representa uma porta lógica “E”, é representado por:
Provas
Considere o símbolo a seguir.

Esse símbolo representa:
Provas
Em um sistema supervisório foi ajustado para receber uma temperatura de um equipamento no qual a temperatura é transmitida em graus Fahrenheit. Para facilitar a leitura o programador faz a conversão para graus Celsius. Qual o valor da temperatura, em graus Celsius, de 140º F.
Provas
Um compressor tem volume teórico (fornecido) de 40 litros. O volume realmente medido é de 36 litros. A eficiência desse compressor é de:
Provas
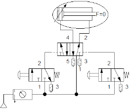
No esquema a seguir, o equipamento circulado representa:

Provas
O simbolo
representa:
Provas
Caderno Container