Foram encontradas 711 questões.
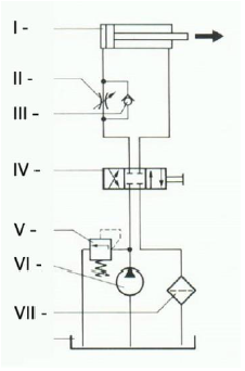
Os sistemas hidráulicos industriais são aplicados em máquinas de processamento de plástico, máquinas operatrizes, prensas, em indústrias madeireiras, de papel e celulose, siderúrgicas, de fundição, de metalurgia e laminação, máquinas escavadeiras, carregadeiras, dentre outros. Sua utilização em máquinas e equipamentos estacionários e móveis se dá devido à capacidade de transmissão e controle de força e movimento por meio de fluidos. Para o esquema do circuito hidráulico apresentado a seguir, seus componentes identificados de I a VII são, respectivamente:

Provas
A integração das tecnologias pneumática e elétrica, chamada de automação eletropneumática, tem desenvolvido um importante papel na automação industrial. Nesta tecnologia, as vantagens dos atuadores pneumáticos são associadas à possibilidade de comando a grandes distâncias através dos circuitos elétricos e a utilização de controladores lógicos programáveis (CLP) para a automação dos processos. Considerando a figura apresentada a seguir, onde está representado o comando eletropneumático para o acionamento de um atuador, o que é correto afirmar sobre seu funcionamento?

Provas
Quando submetemos um corpo de prova a uma carga uniaxial crescente, a fim de alongá-lo até a ruptura, estamos realizando um ensaio de:
Provas
Como é denominada a técnica que consiste na avaliação da quantidade das partículas em suspensão dentro do óleo lubrificante?
Provas
A têmpera de um metal é feita em duas etapas, ou seja, aquecimento e resfriamento. Esse tratamento térmico é feito para que o metal:
Provas
Válvulas eletropneumáticas são componentes de um sistema eletropneumático automatizado, que recebem comando de um circuito elétrico de controle para acionar os elementos de trabalhos pneumáticos. Considerando as duas válvulas apresentadas a seguir, é correto afirmar que suas descrições são, respectivamente:

Provas
A manutenção preditiva é largamente utilizada pelas indústrias em geral. Qual das alternativas abaixo descreve esse tipo de manutenção?
Provas
Sabe-se que a fresadora possibilita a remoção de metal de uma peça através da combinação do movimento de rotação da ferramenta, a fresa, e o movimento da mesa da máquina, onde é fixada a peça a ser usinada. Para a fresadora apresentada na figura a seguir, é correto afirmar que as partes indicadas são, respectivamente:

Provas
Na programação de um torno de comando numérico computadorizado(CNC), define-se como sistema de coordenadas incrementais o sistema de coordenadas onde o ponto a ser atingido pela ferramenta é dado tomando-se como referência o ponto anterior. Assim, definido o ponto P0 (X0 Z200) como origem da peça, conforme figura a seguir, que alternativa identifica, respectivamente, os pontos P1 a P5, através de coordenadas incrementais?

Provas
A soldagem com eletrodos revestidos é o processo de soldagem com arco, em que a união é produzida pelo calor do arco criado entre um eletrodo revestido e a peça a soldar (figura apresentada a seguir). Considerando o eletrodo EE6010, classificação de acordo com a normalização AWS, com 60.000 psi, revestimento celulósico, indicado para a soldagem em CC+, em todas as posições, bastante usado na soldagem de aço de baixo carbono, é correto afirmar que a faixa de regulagem da corrente da fonte de energia com tensão entre 18 V e 28 V, para a utilização do eletrodo citado com bitola 4,0 mm é:

Provas
Caderno Container