Foram encontradas 50 questões.
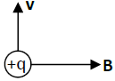
Utilizando a regra da mão direita represente a força magnética que atua numa carga positiva da figura abaixo:

Provas
Um rapaz recém-formado em um curso técnico de eletrônica resolve impressionar sua namorada mostrando a ela um pouco do que aprendeu no curso. Para tanto, ele calculou o campo magnético gerado no interior de uma bobina chata, formada por 20 espiras circulares com 20 cm de raio. Supondo que a intensidade de corrente que percorria a bobina era 12 A, qual foi o valor do campo
magnético gerado no interior da bobina?
Provas
Em 1820, um físico dinamarquês, chamado Hans Cristian Oersted, verificou que um fio sendo percorrido por uma corrente elétrica gera, ao seu redor, um campo magnético. Para tanto, ele utilizou um sistema de uma bateria ligada a um fio condutor, provido de uma chave para ligar e desligar. Quando a chave era ligada, uma corrente elétrica percorria o fio condutor. No sentido de tentar reproduzir o experimento de Oersted, considere que pelo sistema descrito acima passa uma corrente de intensidade 3 A. Com isso, calcule a intensidade do campo a uma distância de 20 cm do fio. Considere μ0 = 4π.10-7 Tm/A.
Provas
Em circuitos elétricos, é muito comum a utilização de um dispositivo chamado reostato. Em chuveiros elétricos, eles são utilizados para aumentar ou diminuir o aquecimento da água. Já em carros, os mesmos são utilizados para controlar a intensidade luminosa do painel de instrumentos. Nesse sentido, um reostato pode ser definido como:
Provas
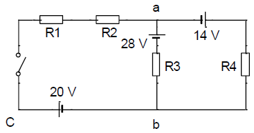
O circuito da figura abaixo é uma representação esquemática de um circuito eletrônico qualquer. Ao se ligar o disjuntor, uma corrente elétrica fluirá através do circuito. Considerando que os valores das resistências R1, R2, R3 e R4 são respectivamente 2, 2, 6 e 10 Ω, calcule a intensidade de corrente que passa pelo ponto C do circuito.

Provas
Sabendo-se que o valor de cada resistência na associação de resistores abaixo é R, calcule o valor da resistência equivalente entre os pontos A e B.

Provas
Em osciloscópios analógicos, a frequência de um sinal elétrico é estimada através das divisões da tela e do número de unidades de tempo por divisão calibrado pelo usuário. Supondo que a chave de calibração das unidades de tempo esteja na posição 10 ms/div e que o sinal, sob observação, repete-se automaticamente a cada duas divisões da tela, qual é a frequência desse sinal em Hertz?
Provas
Utilizando um multímetro é possível medir a corrente e a tensão elétrica em qualquer ponto de um circuito. Para isso, deve-se conectar o multímetro, respectivamente:
Provas
A medida do diâmetro de uma moeda utilizando o micrômetro resultou em 10,33mm. Quais poderiam ser os valores estimados do diâmetro da mesma moeda se se utilizar um paquímetro analógico?
Provas
Definindo o desvio médio como sendo a média dos desvios absolutos de uma medida. E sabendo que o desvio absoluto é calculado como sendo o módulo da diferença entre o valor médio e o valor medido, analise:
| Em uma prática experimental, para determinar a resistência equivalente de um circuito, consta-se: Medida 1- 13,2 Ω |
Como se pode representar o valor dessa resistência equivalente, fazendo as aproximações necessárias para se ter apenas um algarismo significativo tanto na medida quando no desvio?
Provas
Caderno Container