Foram encontradas 55 questões.
Os diagramas de ligação e comando apresentados a seguir para
acionamento de um motor de indução trifásico são usados para


Provas
Questão presente nas seguintes provas
Um motor de indução trifásico de rotor em gaiola, 60 Hz, 4 polos,
200 HP, 380 V, conexão do estator em delta, rendimento igual a
0,746 e fator de potência igual a 0,8, aciona carga nominal a 1.764
rpm. Esse motor opera com um escorregamento de
Provas
Questão presente nas seguintes provas
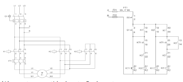
Considere o sistema de acionamento de um motor de indução
trifásico com rotor em gaiola mostrado na figura a seguir:

Em relação ao acionamento apresentado, é correto afirmar que

Em relação ao acionamento apresentado, é correto afirmar que
Provas
Questão presente nas seguintes provas
Qual o maior valor de tensão de saída de um conversor digitalanalógico (DAC) de oito bits que gera na saída 1 V para uma entrada
digital binária 001100102?
Provas
Questão presente nas seguintes provas
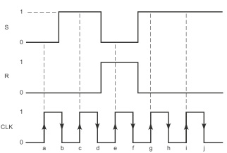
Considere um flip-flop do tipo S-R com as entradas S e R apresentado a seguir:

Considerando que as transições ocorrem na borda de subida do clock e inicialmente a saída Q do flip-flop está em 0, qual o instante em que a saída Q vai para 1?
Provas
Questão presente nas seguintes provas
Assinale a alternativa correta para que a distribuição de cargas nos
painéis de distribuição trifásicos possa ser a mais equilibrada
possível.
Provas
Questão presente nas seguintes provas
As lâmpadas do tipo LED vêm sendo empregadas nos projetos de
iluminação das instalações prediais devido ao baixo consumo de
energia e à elevada eficiência. Em relação às lâmpadas do tipo LED,
é correto afirmar que
Provas
Questão presente nas seguintes provas
Considerando a instalação de SPDA (sistemas de proteção contra
descargas atmosféricas) para um prédio de laboratório com grande
quantidade de equipamentos eletrônicos sensíveis, assinale a
alternativa que apresente a principal medida de proteção para
reduzir danos a equipamentos eletrônicos.
Provas
Questão presente nas seguintes provas
O gráfico apresentado a seguir mostra uma família de curvas
representando a variação do conjunto versus a rotação do motor de
indução trifásico.

A seta apresentada no gráfico acima indica a variação de qual parâmetro do motor de indução?

A seta apresentada no gráfico acima indica a variação de qual parâmetro do motor de indução?
Provas
Questão presente nas seguintes provas
Os eletrodutos metálicos são componentes das instalações elétricas
utilizados no encaminhamento dos cabos. Considerando as
funcionalidades dos eletrodutos nas instalações elétricas, assinale a
afirmativa incorreta.
Provas
Questão presente nas seguintes provas
Cadernos
Caderno Container