Foram encontradas 204 questões.
- Instalações em Engenharia CivilInstalações Hidrosanitárias
- Saneamento Geral
- Meio Ambiente na Engenharia Civil
Os sistemas prediais de esgoto sanitário devem ser devidamente conectados à atmosfera para permitir a
condução dos gases para o exterior. Entretanto, os tubos de ventilação assumem outras funções importantes
dentro de um sistema sanitário,
EXCETO
:
Provas
Questão presente nas seguintes provas
As patologias na construção civil estão relacionadas à conservação das edificações, pois podem diminuir
significativamente a sua vida útil. Com relação às patologias listadas, a seguir, relacione a COLUNA I com a
COLUNA II e registre a sequência
CORRETA
:
COLUNA I
1. lixiviação 2. despassivação por carbonatação 3. ataque por ação de sulfatos 4. retração do concreto
COLUNA II
( ) ocorre pela reação química entre os compostos da pasta de cimento hidratada, agregados e íons trazidos pela água, o que gera produtos expansivos que fissuram e deterioram o concreto.
( ) ocorre por ação do gás carbônico da atmosfera, que penetra por difusão e reage com hidróxidos do concreto, o qual tem seu Ph reduzido, fato que pode dar origem à corrosão da armadura.
( ) caracteriza-se pela eliminação de água da massa de concreto pelo fenômeno da exsudação e está relacionada a fatores como calor excessivo, ventos fortes e baixa umidade relativa do ar.
( ) é a dissolução e transporte de compostos hidratados da pasta de cimento por ação de águas puras, carbônicas agressivas ou ácidas e poderá ocorrer quando o concreto for mal adensado e/ou estiver fissurado, permitindo a percolação da água.
Assinale a alternativa que apresenta a sequência CORRETA :
COLUNA I
1. lixiviação 2. despassivação por carbonatação 3. ataque por ação de sulfatos 4. retração do concreto
COLUNA II
( ) ocorre pela reação química entre os compostos da pasta de cimento hidratada, agregados e íons trazidos pela água, o que gera produtos expansivos que fissuram e deterioram o concreto.
( ) ocorre por ação do gás carbônico da atmosfera, que penetra por difusão e reage com hidróxidos do concreto, o qual tem seu Ph reduzido, fato que pode dar origem à corrosão da armadura.
( ) caracteriza-se pela eliminação de água da massa de concreto pelo fenômeno da exsudação e está relacionada a fatores como calor excessivo, ventos fortes e baixa umidade relativa do ar.
( ) é a dissolução e transporte de compostos hidratados da pasta de cimento por ação de águas puras, carbônicas agressivas ou ácidas e poderá ocorrer quando o concreto for mal adensado e/ou estiver fissurado, permitindo a percolação da água.
Assinale a alternativa que apresenta a sequência CORRETA :
Provas
Questão presente nas seguintes provas
Analise as proposições, a seguir, referentes às patologias em edificações causadas pela retração das argamassas
de revestimento:
I. A retração das argamassas de revestimento aumenta com o consumo de aglomerante, com a porcentagem de finos na mistura e com o teor da água de amassamento;
II. O nível de fissuração das argamassas de revestimento é diretamente proporcional ao seu índice de retração, ao seu módulo de deformação e ao seu poder de aderência com a base;
III. Na retração química, a quantidade excedente de água, empregada na preparação da argamassa, permanece livre no interior da massa, evaporando-se posteriormente e gerando forças capilares equivalentes a uma compressão isotrópica da massa, produzindo a redução do seu volume;
IV. Na retração por carbonatação, a cal hidratada liberada nas reações de hidratação do cimento reage com o gás carbônico presente no ar, formando o carbonato de cálcio. Esse processo é acompanhado de um aumento de volume, o qual gera as fissuras de retração;
V. As condições de cura são importantes no processo de retração das argamassas, pois se a evaporação da água se iniciar antes do término da pega do aglomerante, a retração poderá ser acentuadamente aumentada.
Marque a alternativa CORRETA :
I. A retração das argamassas de revestimento aumenta com o consumo de aglomerante, com a porcentagem de finos na mistura e com o teor da água de amassamento;
II. O nível de fissuração das argamassas de revestimento é diretamente proporcional ao seu índice de retração, ao seu módulo de deformação e ao seu poder de aderência com a base;
III. Na retração química, a quantidade excedente de água, empregada na preparação da argamassa, permanece livre no interior da massa, evaporando-se posteriormente e gerando forças capilares equivalentes a uma compressão isotrópica da massa, produzindo a redução do seu volume;
IV. Na retração por carbonatação, a cal hidratada liberada nas reações de hidratação do cimento reage com o gás carbônico presente no ar, formando o carbonato de cálcio. Esse processo é acompanhado de um aumento de volume, o qual gera as fissuras de retração;
V. As condições de cura são importantes no processo de retração das argamassas, pois se a evaporação da água se iniciar antes do término da pega do aglomerante, a retração poderá ser acentuadamente aumentada.
Marque a alternativa CORRETA :
Provas
Questão presente nas seguintes provas
Os resultados indicados no Quadro 2, referem-se às resistências à compressão de uma amostra constituída por 8
corpos de prova de concreto.
Sabe-se, ainda, que as condições de preparo do concreto são compatíveis com a condição de preparo A (com materiais medidos em massa e a água de amassamento corrigida em função da umidade dos agregados), conforme apresentado no Quadro 3.
Considerando-se os resultados obtidos nos ensaios, calcule a resistência característica à compressão estimada (f ck,est ) do lote de concreto em estudo.
Assinale a alternativa CORRETA :
Sabe-se, ainda, que as condições de preparo do concreto são compatíveis com a condição de preparo A (com materiais medidos em massa e a água de amassamento corrigida em função da umidade dos agregados), conforme apresentado no Quadro 3.
Considerando-se os resultados obtidos nos ensaios, calcule a resistência característica à compressão estimada (f ck,est ) do lote de concreto em estudo.
Assinale a alternativa CORRETA :
Provas
Questão presente nas seguintes provas
A NBR 12655 (ABNT, 2015) determina os requisitos para o preparo, a composição química e o controle
tecnológico do concreto fresco e endurecido. Além disso, ela determina os critérios para a aceitação, ou não, de
um concreto a ser utilizado em uma obra e as atribuições de incumbências. Quanto às definições preconizadas
nessa norma, assinale a afirmativa
INCORRETA
:
Provas
Questão presente nas seguintes provas
A figura, a seguir, representa o detalhamento de uma viga de concreto armado, apoiada nos pilares P40 e P42,
cujas vigas V22, V26, V27 e V30 se apoiam nela. As referidas vigas serão executadas no quinto pavimento de uma
edificação e, portanto, não terão contato com o solo.
Analise as seguintes afirmativas:
I. N7, N8, N128, N129 e N130 são as armaduras positivas da viga, ou seja, a função dessas armaduras é resistir aos esforços oriundos da flexão;
II. N131 pode ser redistribuída na região da armadura N8 (na largura de 60 cm da face superior da viga), já que o dimensionamento foi feito considerando a viga com seção T;
III. N130 disposta na região do balanço foi dimensionada como armadura de compressão (dimensionamento com armadura dupla);
IV. O projetista poderia ter dispensado o emprego da armadura de pele nesta viga (N48), de acordo com a NBR 6118 – Projeto de estruturas de concreto – Procedimento (ABNT, 2014);
V. A armadura de pele detalhada nesta viga (N48) não tem a função de controlar a fissuração da mesma. Sua utilização tem a finalidade de aumentar a resistência da peça ao momento fletor positivo.
A alternativa CORRETA com relação às situações de detalhamento exemplificadas e à nomenclatura usual aplicada no detalhamento de estruturas de concreto armado é:
Analise as seguintes afirmativas:
I. N7, N8, N128, N129 e N130 são as armaduras positivas da viga, ou seja, a função dessas armaduras é resistir aos esforços oriundos da flexão;
II. N131 pode ser redistribuída na região da armadura N8 (na largura de 60 cm da face superior da viga), já que o dimensionamento foi feito considerando a viga com seção T;
III. N130 disposta na região do balanço foi dimensionada como armadura de compressão (dimensionamento com armadura dupla);
IV. O projetista poderia ter dispensado o emprego da armadura de pele nesta viga (N48), de acordo com a NBR 6118 – Projeto de estruturas de concreto – Procedimento (ABNT, 2014);
V. A armadura de pele detalhada nesta viga (N48) não tem a função de controlar a fissuração da mesma. Sua utilização tem a finalidade de aumentar a resistência da peça ao momento fletor positivo.
A alternativa CORRETA com relação às situações de detalhamento exemplificadas e à nomenclatura usual aplicada no detalhamento de estruturas de concreto armado é:
Provas
Questão presente nas seguintes provas
Para uma viga de seção retangular 19 cm x 45 cm, estribo de diâmetro nominal igual a 6,3 mm, concreto com
brita 1 (d
máx
=19 mm), em ambiente caracterizado como CAA III, e cujo dimensionamento à flexão normal simples
indicou a necessidade de uma área de armadura tracionada, A
S
, igual a 4,85 cm², analise as afirmativas, a seguir, e
classifique-as em verdadeiras (V) ou falsas (F).
( ) É possível detalhar a viga, dispondo 3 barras de 16 mm de diâmetro em uma camada, respeitando-se os espaçamentos livres mínimos entre as faces das barras;
( ) A altura útil real, d real , caso o detalhamento seja feito com barras de 12,5 mm, é igual a 38,93 cm;
( ) Caso o detalhamento seja feito com barras de 10 mm de diâmetro, serão necessárias 7 barras;
( ) Para o detalhamento com barras de 10 mm de diâmetro, é possível dispô-las em duas camadas.
Assinale a alternativa CORRETA :
( ) É possível detalhar a viga, dispondo 3 barras de 16 mm de diâmetro em uma camada, respeitando-se os espaçamentos livres mínimos entre as faces das barras;
( ) A altura útil real, d real , caso o detalhamento seja feito com barras de 12,5 mm, é igual a 38,93 cm;
( ) Caso o detalhamento seja feito com barras de 10 mm de diâmetro, serão necessárias 7 barras;
( ) Para o detalhamento com barras de 10 mm de diâmetro, é possível dispô-las em duas camadas.
Assinale a alternativa CORRETA :
Provas
Questão presente nas seguintes provas
No lançamento estrutural, é conveniente dispor as vigas sob as paredes, para receberem sua carga. Entretanto,
essa solução nem sempre é possível, sendo adotado o apoio das paredes diretamente nas lajes. Nesse caso, a
ação proveniente das paredes deve ser considerada no cálculo das lajes, havendo, basicamente, duas situações,
descritas a seguir:
Situação 1 : cargas de paredes sobre lajes armadas em duas direções: considera-se que a ação da parede é distribuída uniformemente em toda a área da laje;
Situação 2 : cargas de paredes sobre lajes armadas em uma direção: nesse caso, há duas situações:
2.1 - Parede paralela ao menor vão da laje: considera-se, simplificadamente, a ação da parede distribuída em uma área de largura igual a (2/3).Lx;
2.2 - Parede perpendicular ao menor vão da laje: considera-se, nesse caso, a ação da parede como uma carga pontual na viga que representa a laje.
As paredes possuem 14 cm de largura e são feitas de um material com peso específico aparente igual a 13 kN/m³.
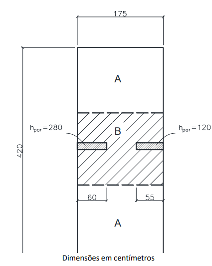
Considere que a laje indicada na figura, a seguir, é de concreto armado (γ=25 kN/m³), com altura de 10 cm e está sujeita a uma ação permanente adicional de 1,0 kN/m² e uma ação decorrente do uso, q, igual a 2,0 kN/m². Determine os valores das cargas características (p = g+q) a serem considerados para o cálculo da laje nas regiões A (p A ) e B (p B ), respectivamente:
Assinale a alternativa CORRETA :
Situação 1 : cargas de paredes sobre lajes armadas em duas direções: considera-se que a ação da parede é distribuída uniformemente em toda a área da laje;
Situação 2 : cargas de paredes sobre lajes armadas em uma direção: nesse caso, há duas situações:
2.1 - Parede paralela ao menor vão da laje: considera-se, simplificadamente, a ação da parede distribuída em uma área de largura igual a (2/3).Lx;
2.2 - Parede perpendicular ao menor vão da laje: considera-se, nesse caso, a ação da parede como uma carga pontual na viga que representa a laje.
As paredes possuem 14 cm de largura e são feitas de um material com peso específico aparente igual a 13 kN/m³.
Considere que a laje indicada na figura, a seguir, é de concreto armado (γ=25 kN/m³), com altura de 10 cm e está sujeita a uma ação permanente adicional de 1,0 kN/m² e uma ação decorrente do uso, q, igual a 2,0 kN/m². Determine os valores das cargas características (p = g+q) a serem considerados para o cálculo da laje nas regiões A (p A ) e B (p B ), respectivamente:
Assinale a alternativa CORRETA :
Provas
Questão presente nas seguintes provas
O gráfico ou diagrama de Gantt é uma ferramenta visual para acompanhar e controlar a execução de um projeto,
o qual visa a identificar tarefas e a controlar prazos de entrega e conclusão. Entre as opções listadas, a seguir,
assinale a alternativa que
NÃO
corresponde à sua função.
Provas
Questão presente nas seguintes provas
- Gerenciamento, Planejamento e Controle de Obras
- Orçamento no Planejamento e Controle de Obras na Engenharia Civil
Para a construção de uma obra de uma Instituição de Ensino Superior, serão necessários 120 m³ de concreto
estrutural.
Considerando-se a composição e os preços unitários de cada insumo apresentados no quadro, a seguir, e que a concretagem está prevista para ser feita em 45 horas de trabalho, analise as afirmativas.
I. O custo da obra, considerando somente materiais e mão de obra, é de, aproximadamente, R$ 61.150,00.
II. A parcela referente ao custo dos agregados é de, aproximadamente, R$ 24.610,00.
III. Serão necessários 22 operários no total para a execução dos trabalhos no tempo previsto.
IV. O custo referente ao aglomerante corresponde a mais de 48% do custo referente aos materiais e mão de obra somados.
V. Caso a concretagem seja feita em 5 dias, com 8 horas de trabalho diárias, a equipe deve ser constituída por 27 operários.
Assinale a alternativa CORRETA :
Considerando-se a composição e os preços unitários de cada insumo apresentados no quadro, a seguir, e que a concretagem está prevista para ser feita em 45 horas de trabalho, analise as afirmativas.
I. O custo da obra, considerando somente materiais e mão de obra, é de, aproximadamente, R$ 61.150,00.
II. A parcela referente ao custo dos agregados é de, aproximadamente, R$ 24.610,00.
III. Serão necessários 22 operários no total para a execução dos trabalhos no tempo previsto.
IV. O custo referente ao aglomerante corresponde a mais de 48% do custo referente aos materiais e mão de obra somados.
V. Caso a concretagem seja feita em 5 dias, com 8 horas de trabalho diárias, a equipe deve ser constituída por 27 operários.
Assinale a alternativa CORRETA :
Provas
Questão presente nas seguintes provas
Cadernos
Caderno Container