Foram encontradas 15 questões.
Sobre as categorias apresentadas na figura, é incorreto afirmar que
Provas
A figura a seguir apresenta a placa de identificação de um motor de indução.

Disponível em: https://static.weg.net/medias/downloadcenter/h0c/hfd/WEG-WMO-iom-installation-operation-andmaintenance-manual-of-electric-motors-50033244-manual-pt-en-es-web.pdf. Acesso em: 29 abr. 2025.
Considerando as condições nominais apresentadas nessa placa, analise as afirmações a seguir.
I. O grau de proteção desse motor indica que ele é protegido contra poeira e jatos de água.
II. O rendimento desse motor é de 92,4 %, logo, a potência mecânica efetivamente entregue ao eixo é 13,86 CV.
III. Esse motor foi projetado para atuar em regime contínuo, ou seja, com a carga nominal atuando por um tempo indefinido.
IV. Quando alimentado com 220 V, a corrente de partida do motor é 47,0 A.
V. Esse motor suporta uma sobrecarga constante de 25%.
VI. A potência elétrica ativa consumida pelo motor é 11 kW.
Estão corretas as afirmativas
Provas
Considerando que a polia acoplada ao eixo do motor tenha diâmetro de 20 cm, o diâmetro da polia acoplada à carga é de:
Provas
O componente X estava danificado e precisava ser substituído. O componente sobressalente que havia em estoque era de outro modelo e, por isso, precisava ser alimentado por uma corrente Ic de 2 mA. Naquele momento, a alternativa escolhida pelo técnico consistia em alterar o valor do resistor Rb para adequar a corrente Ic às especificações do novo componente.
Considerando as informações apresentadas na figura e assumindo que
I c = 100 . Ib
I e = Ic + Ib
Vbe = 0,7 V
Para obter o valor de 2 mA para a corrente Ic , o valor de Rb deverá ser ajustado para
Provas
Assumindo que os resistores disponíveis no estoque do laboratório possuem tolerância de ±20%, é correto afirmar que os valores mínimo e máximo de tensão que é possível obter no divisor de tensão, escolhendo aleatoriamente resistores do estoque são, respectivamente,
Provas
Considerando que as alternativas a seguir representam as resistências de Thévenin de cada um dos circuitos disponíveis, aquele que fará com que o componente eletrônico absorva a maior potência será o que possui resistência igual a
Provas
Provas
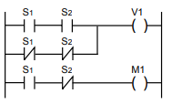
Um técnico foi chamado para programar um sistema automatizado de envase de garrafas controlado por um CLP. O sistema é composto por:
• Um sensor de garrafa (S1) que indica com estado lógico 1, quando uma garrafa está na posição para enchimento e estado lógico 0, caso contrário;
• Um sensor de nível máximo de líquido (S2) que indica com estado lógico 1 se a garrafa está cheia e estado lógico 0, caso contrário;
• Um atuador que abre a válvula de enchimento (V1), sendo o estado lógico 1 equivalente à válvula aberta e vertendo líquido e estado lógico 0, caso contrário;
• Um motor (M1) que movimenta a esteira de transporte das garrafas até o ponto de enchimento e para além dele, com o estado lógico 1, indicando que o motor deve movimentar a esteira e o estado 0 deve parar.
Considerando que em combinações improváveis de S1 e S2, o motor deve parar e a válvula fechar e que estado inicial seja S1 = 0 e S2 = 0, assinale a alternativa que representa a lógica de comando que aciona corretamente esse sistema.
Provas
• O motor parte normalmente em estrela.
• Ao comutar para triângulo, ocorre desarme do disjuntor em menos de 1 segundo.
• A resistência ôhmica dos enrolamentos medida com multímetro está dentro dos valores esperados e balanceada entre as fases.
Com base nessa situação prática, assinale a alternativa que melhor explica o que está causando o desarme durante a comutação.
Provas
( ) Ao medir a tensão de alimentação de uma bobina de contator, é necessário verificar também se há tensão de comando, pois a ausência desta pode impedir a energização, mesmo com a tensão correta nos terminais.
( ) A ausência de tensão nos terminais de saída de um disjuntor, mesmo com a chave na posição ligada, indica necessariamente que o disjuntor está danificado.
( ) O relé térmico atua na proteção contra sobrecorrente instantânea, desligando o motor sempre que a corrente ultrapassar o valor nominal.
( ) Durante testes com um relé temporizador analógico, é possível verificar o tempo de atraso entre o acionamento da bobina e o fechamento do contato NA usando um cronômetro e um multímetro em continuidade.
Provas
Caderno Container