Foram encontradas 60 questões.
Sobre os sistemas de proteção e combate a incêndio, analise as afirmativas.
I - A Reserva Técnica para Incêndio deve ser prevista para permitir o primeiro combate, durante determinado tempo e, após este tempo, considera-se que o Corpo de Bombeiros mais próximo atuará no combate, utilizando o sistema da edificação ou outros meios de abastecimento.
II - Todas as portas das salas com capacidade acima de 50 pessoas devem abrir no sentido do trânsito de saída da sala.
III - A compartimentação é uma medida de proteção constituída de elementos construtivos corta-fogo, separando ambientes, de tal modo que o incêndio fique contido no local de origem.
Está correto o que se afirma em
Provas
Questão presente nas seguintes provas
Abaixo apresenta-se o levantamento planimétrico de uma determinada área na UFMT.

Sobre o levantamento, marque V para as afirmativas verdadeiras e F para as falsas.
( ) A área delimitada pelos alinhamentos é de aproximadamente 134 m².
( ) A distância entre os pontos 3 e 5 é de aproximadamente 15,6 metros.
( ) O azimute do alinhamento 3-4 é 150°.
( ) A deflexão do alinhamento 2-3 é 60°.
Assinale a sequência correta.
Provas
Questão presente nas seguintes provas
Sobre a cura dos concretos, marque V para as afirmativas verdadeiras e F para as falsas.
( ) Cura é o nome dado aos procedimentos utilizados para favorecer a hidratação do cimento. Consiste no controle da temperatura e do movimento da água de dentro para fora ou de fora para dentro do concreto.
( ) A função da cura é manter o concreto saturado, ou o mais próximo possível da saturação, até que o espaço ocupado pela água da pasta do cimento tenha sido preenchido pelos produtos da hidratação do cimento.
( ) Os concretos mantidos em cura úmida até os 14 dias de idade apresentam resistência final igual aos concretos mantidos em cura úmida contínua, ambos em condições normais de temperatura.
( ) O aumento da temperatura na cura do concreto aumenta a velocidade das reações de hidratação e, desse modo influi beneficamente na resistência do concreto nos primeiros 7 dias, sem grande prejuízo na resistência final.
Assinale a sequência correta.
Provas
Questão presente nas seguintes provas
Abaixo esquematiza-se o arranjo das armaduras positivas de uma viga biapoiada com carregamento centrado.

Dados:
1) Deslocamento aL do diagrama de momentos igual a 50 cm;
2) Comprimento de ancoragem para a barra de bitola 20 mm igual a 70 cm;
3) Armadura positiva calculada igual a 3 barras de 20 mm;
4) Peso próprio desprezável.
Assinale a alternativa que apresenta o menor comprimento aproximado em centímetros da barra N1, necessário para garantir o funcionamento adequado da viga.
Provas
Questão presente nas seguintes provas

As sapatas e os arranques dos pilares serão executados com concreto produzido no canteiro de obras com traço em massa 1:2:2,5:0,5. Sabe-se que cada conjunto sapata e arranque contém 0,85 m³ de concreto.
Dados:
| Material | Massa específica (g/cm³) |
| Cimento | 3,2 |
| Areia | 2,6 |
| Brita | 2,7 |
Assinale a alternativa que apresenta a quantidade aproximada de cimento necessária para a execução desses elementos em sacos de 50 kg.
Provas
Questão presente nas seguintes provas

O engenheiro da obra decidiu fechar todos os vãos da estrutura com tijolos cerâmicos de 19 cm x 19 cm x 39 cm, assentados com argamassa de cimento e areia com juntas horizontais e verticais de espessura igual a 1 cm. Assinale a alternativa que apresenta a quantidade de tijolos necessários, desconsiderando as possíveis aberturas e as perdas com recortes.
Provas
Questão presente nas seguintes provas

Sobre o projeto apresentado, analise as afirmativas.
I - Ao considerar somente o critério da capacidade de condução de corrente, o circuito 3 poderia ser executado com condutor de 2,5 mm².
II - A ligação da luminária de comando C está errada, pois falta o condutor Fase.
III - O circuito 1 poderia ser incorporado ao circuito 2, pois a potência total seria de 1.700 W.
Está correto o que ser afirma em
Provas
Questão presente nas seguintes provas

O disjuntor termomagnético de proteção a ser instalado para o circuito 2 é:
Provas
Questão presente nas seguintes provas
Abaixo apresentam-se linhas de comando para a execução de uma tarefa no AutoCad.
Command: line ¿
LINE Specify first point: 3,4,0 ¿
Specify next point or [Undo]: @20<60 ¿
Specify next point or [Undo]: ¿
Sobre essas linhas, marque V para as afirmativas verdadeiras e F para as falsas.
( ) O segmento de reta desenhado tem 60 unidades de comprimento.
( ) O ponto final do segmento de reta tem coordenadas globais (13, 21.32, 0).
( ) O ângulo do segmento de reta em relação ao eixo X global é 60°.
( ) O símbolo @ indica um método de entrada em coordenada polar.
Assinale a sequência correta.
Provas
Questão presente nas seguintes provas
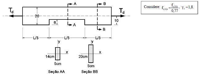
A peça esquematizada na figura é feita de madeira C 60 e está situada em condições tais que k mod = 0,56.
Assinale a alternativa que apresenta o valor máximo aproximado da maior força de tração T d, em quilonewton, que pode ser aplicada na peça.
Provas
Questão presente nas seguintes provas
Cadernos
Caderno Container