Foram encontradas 40 questões.
Uma aplicação de rede que usa UDP em vez de TCP tem como principal requisito:
Provas
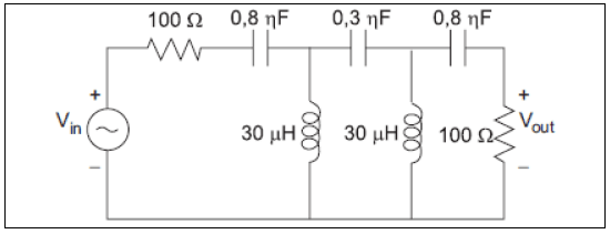
A figura abaixo ilustra um circuito alimentado por uma fonte de tensão alternada senoidal.

O comportamento desse circuito, em termos de resposta em frequência, corresponde a um filtro:
Provas
O circuito integrado ADC0844 é um conversor A/D de 8 bits que emprega a técnica das aproximações sucessivas. Encapsulado em um chip de 20 pinos, possui 4 entradas analógicas multiplexadas, saída paralela e oscilador de clock interno; seu tempo de conversão típico é de 40 microssegundos. Alimentado com uma fonte de 5V, apresenta um baixo consumo de cerca de 15 miliwatts. Dentre os sinais abaixo, o único que poderia ser digitalizado através de um ADC 0844, sem perdas, é:
Provas
Em telefonia, a intensidade de tráfego telefônico é medida em:
Provas
O CDMA, tecnologia utilizada na telefonia celular, se diferencia das demais por utilizar a técnica de:
Provas
Um sinal de 10dBm, após se propagar por uma distância de 5km, é atenuado 80 vezes. Qual é o valor final desse sinal em dBm e em watts após percorridos esses 5km?
Provas
Para um sistema de rádio enlace que utiliza uma frequência de 3,0MHz a uma distância de 30.000km, qual é a atenuação no espaço livre (em valor aproximado)?
Provas
Dentre as funcionalidades de um switch, uma delas representa uma tecnologia que divide uma LAN física em grupos de trabalho virtuais por meio de métodos de software, permitindo o agrupamento de estações em domínios de broadcast. Nesse esquema, as máquinas se comunicam entre si como se pertencessem a um segmento físico. Tendo sido padronizada como IEEE-802.1Q, essa funcionalidade é conhecida pela sigla:
Provas
Uma técnica de amostragem utilizada para representar uma forma de onda analógica como um código digital é:
Provas
A sequência binária (1 0 1 0 1 0 1 1 1) passa por um processo de codificação de linha para fins de eliminação da componente contínua. A forma de onda obtida, após essa codificação, é mostrada na figura a seguir.

Qual foi a codificação de linha utilizada?
Provas
Caderno Container