Foram encontradas 40 questões.
O funcionamento de uma máquina elétrica depende de três entradas lógicas (A, B e C) e seu acionamento ocorre quando a seguinte função combinacional for verdadeira (nível lógico 1):
\( S=A.(\bar{B}+C)+\bar{A}.B \)
O único valor para o conjunto das variáveis ABC que não aciona a máquina é:
Provas
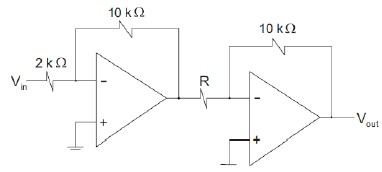
A figura abaixo apresenta um circuito contendo amplificadores operacionais considerados ideais. A tensão de entrada é denotada por Vin e a tensão de saída por Vout.

Para que o ganho total seja igual a 40, o valor de R, em k\( Ω \), deve ser:
Provas
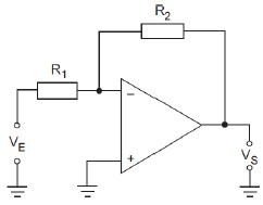
Na figura abaixo, observa-se um amplificador operacional em um circuito que contém, ainda, dois resistores R1 e R2.

Esse circuito é conhecido pelo nome de:
Provas
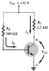
A figura abaixo apresenta um circuito com um transistor NPN. O transistor tem, nessas condições, estes valores: \( β \)=100 e VCEsat=0,3V.

O valor aproximado da corrente de coletor IC, em mA, e a tensão VCE, em V, são, respectivamente:
Provas
O diodo zener mostrado no circuito da figura abaixo é considerado ideal e tem tensão nominal de 16V.

Com base nos valores dos elementos do circuito, qual o valor, em mA, da corrente I sobre o diodo zener?
Provas
Um motor de indução de 8 pólos e 60Hz apresenta velocidade do campo magnético girante, em rpm, igual a:
Provas
A figura abaixo ilustra um circuito alimentado por uma fonte de tensão senoidal de frequência f = 5 kHz e amplitude 12 V (rms), operando em regime permanente.

O amperímetro A indica uma corrente de 0,2 mA (rms) e a tensão VL, medida por intermédio de um osciloscópio, é de 7,12 V pico a pico. De acordo com as medidas mencionadas, o valor aproximado da indutância L, em Henry, é:
Provas
Analise o circuito na figura a seguir correspondente a uma ponte de Wheatstone.

A corrente que flui pelo ramo em que foi conectado um galvanômetro com 14 \( Ω \) de resistência equivale, em miliAmpères, a:
Provas
O acoplamento capacitivo ou elétrico é um dos ruídos mais comuns em sistemas de medição. Ele é resultado da interação entre os campos elétricos de circuitos muito próximos. Para exemplificar o acoplamento capacitivo, é apresentado o modelo da figura (a) cujo circuito equivalente é apresentado na figura (b). Nas duas figuras, \( V_o \) é a tensão do ruído produzido no condutor 2 devido à proximidade com o condutor 1 que apresenta uma tensão \( V_i \).

A equação que determina o valor de \( V_o \) é:
Provas
A figura a seguir apresenta um circuito de corrente contínua funcionando em regime permanente com a chave S1 aberta. Há, ainda, duas fontes, cinco resistores, um capacitor e dois indutores.

Em determinado instante, a chave S1 é fechada. Imediatamente, o valor de módulo da corrente IS, em ampères, que atravessa a chave S1, é cerca de:
Provas
Caderno Container