Foram encontradas 50 questões.
Em relação ao uso diodo zener podemos afirmar que:
Provas
Dada a tabela
| A | B | C | S |
| 0 | 0 | 0 | 1 |
| 0 | 0 | 1 | 1 |
| 0 | 1 | 0 | 0 |
| 0 | 1 | 1 | 1 |
| 1 | 0 | 0 | 0 |
| 1 | 0 | 1 | 1 |
| 1 | 1 | 0 | 0 |
| 1 | 1 | 1 | 1 |
A expressão de S que melhor representa a operação lógica é:
Provas
Para a porta lógica XOR e as sequencias de entrada binárias A e B mostrada na figura abaixo, a sequência binária que representa a saída S é:

Provas
Considerando um diodo ideal. Calcule a corrente I e a tensão V indicados na figura abaixo.

Provas
Na figura abaixo, a bateria E fornece uma corrente elétrica de intensidade i que circula pela bobina \( B_1 \). Próximo de \( B_1 \) e coaxialmente disposta, está outra bobina \( B_2 \).

Nessas condições
Provas
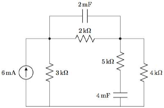
Qual é a energia armazenada no capacitor de 4 mF?

Provas
Em relação às Instalações Elétricas Prediais, é INCORRETO afirmar que
Provas

Em relação à configuração emissor comum para um transistor bipolar, podemos afirmar que:
Provas
No circuito mostrado a seguir, a expressão para o ganho entre a tensão de saída \( A \, = \, \dfrac {V_o} {V_i} \) é:
Provas
Suponha que uma fonte de tensão \( v(t) \) possua uma impedância interna igual a \( Z_i \, = \, R \, + \, jX \) e que conectamos uma carga \( Z_i \) nos bornes dessa fonte. A máxima transferência de potência a carga \( Z_i \) ocorrerá quando \( Z_i \) for igual a:
Provas
Caderno Container