Foram encontradas 50 questões.
A resistência elétrica a 20º C de uma torre de alumínio de 20 metros de altura e seção reta 1000mmx1000mm é
Provas
Considere os sinais de tensões mostrados nos itens a, b, e c a seguir.

As frequências desses sinais na sequência a, b e c são
Provas
Conforme a NBR-5410, ”Os materiais dos eletrodos de aterramento e as dimensões desses materiais devem ser selecionados de modo a resistir à corrosão e apresentar resistência mecânica adequada”. Sob o ponto de vista destes requisitos, uma haste de aço de seção circular usada como eletrodo de aterramento, de três metros de comprimento, revestida com capa de cobre, deverá possuir diâmetro mínimo e espessura média do revestimento da capa de cobre, respectivamente, de
Provas
Observe a figura abaixo.

Um motor elétrico trifásico, cuja placa de identificação é mostrada na figura acima, aciona uma empilhadeira e opera em uma rede elétrica com tensão e frequência nominais. A potência em kW absorvida da rede quando a carga mecânica solicita capacidade nominal do motor é
Provas
De acordo com a norma técnica NBR-5410 da ABNT, em instalações elétricas fixas, quando se usam condutores e cabos de alumínio isolados para os circuitos de iluminação, a seção mínima que se deve usar é
Provas
Quanto às máquinas de corrente contínua tipo shunt, é correto afirmar:
Provas
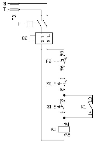
O esquema de comando de uma chave magnética é mostrado na figura abaixo.

Nesse esquema, o componente da chave magnética que representa o contato normalmente aberto é apresentado na alternativa
Provas
Segundo a norma técnica NBR-5410 da ABNT - “Em qualquer ponto de utilização da instalação, onde os equipamentos do consumidor tem valores nominais de tensão iguais aos nominais do sistema, a queda de tensão verificada não deve ser superior aos seguintes valores, dados em relação ao valor da tensão nominal da instalação”. Esses valores correspondem a
Provas
A função principal dos relés de sobrecarga utilizados nas chaves magnéticas em circuitos que alimentam motores elétricos é proteger o equipamento contra
Provas
Uma residência possui o seguinte sistema elétrico: cinco lâmpadas de 100W durante 50 horas por mês, um ar-condicionado de 1,2kW durante 240 horas por mês, um televisor colorido de 250W durante 180 horas por mês, e um refrigerador de 300W durante 120 horas por mês. Considerando-se que a energia elétrica custa R$0,50 por quilowatt-hora, a conta de luz em Reais, durante um mês, será de
Provas
Caderno Container