Foram encontradas 60 questões.
No circuito com polarização fixa abaixo, determine a tensão coletor-emissor !$ (V_{CE}) !$.

Considere a tensão base- emissor igual a 0,7 V.
Provas
Questão presente nas seguintes provas
Determine a relação entre a tensão de entrada (!$ V_I !$) e a tensão de saída (!$ V_0 !$) no circuito abaixo. Considere os componentes ideais.

Provas
Questão presente nas seguintes provas
Determine o valor da corrente I no circuito abaixo.

Considere:
Tensão de polarização do diodo de silício (Si) igual a 0,7 V;
Tensão de polarização do diodo de germânio (Ge) igual a 0,3 V.
Tensão de polarização do diodo de silício (Si) igual a 0,7 V;
Tensão de polarização do diodo de germânio (Ge) igual a 0,3 V.
Provas
Questão presente nas seguintes provas
A expressão !$ { \begin {pmatrix} \overline{ A \overline{B}} \end{pmatrix}} ( A + B + D) \overline{D} !$ é equivalente a:
Provas
Questão presente nas seguintes provas
Uma carga trifásica equilibrada conectada em !$ Y !$ possui tensão de linha !$ (V_{ab}) !$ com valor em módulo de !$ 100 \sqrt{3} !$ (eficaz) e ângulo de fase de !$ -90^ \circ !$. Se a sequência de fases é !$ a-b-c !$ , o módulo tensões de fase e seus ângulos de fase são, respectivamente:
Provas
Questão presente nas seguintes provas
Para medição ou análise da corrente elétrica, podemos destacar alguns instrumentos, tais como:
1) osciloscópio.
2) multímetro.
3) terrômetro.
4) alicate amperímetro.
5) fusível.
2) multímetro.
3) terrômetro.
4) alicate amperímetro.
5) fusível.
Estão corretas:
Provas
Questão presente nas seguintes provas
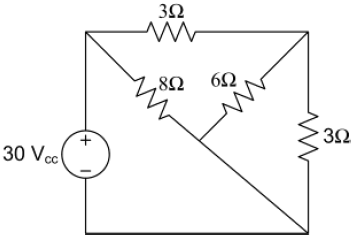
Dado o circuito da figura abaixo, calcule a potência dissipada pelo resistor de !$ 6\,\,\Omega !$

Provas
Questão presente nas seguintes provas
O resultado da subtração binária 10100,102 – 01101,012 em decimal é:
Provas
Questão presente nas seguintes provas
Relacione as colunas, conforme os espaços nas sentenças.
1) A capacidade que uma carga elétrica tem de realizar trabalho denominamos de __.
2) A soma das diferenças de potencial de todas as cargas é chamada de __.
3) __ é a unidade de medida da corrente elétrica.
4) O aparecimento de fluxo de cargas elétricas denominamos de__.
5) __ é a unidade de medida de diferença de potencial .
( ) Ampère.
( ) Potencial.
( ) Força eletromotriz.
( ) Volt.
( ) Corrente elétrica.
A sequência correta, de cima para baixo, é:
Provas
Questão presente nas seguintes provas
TEXTO 2
O fator obesidade
É de Cícero a célebre frase: “É necessário comer para que tu vivas, e não viver para que tu comas”. À medida que o mundo foi perdendo o seu latim, perdeu também algo do estoicismo que motivou as palavras do orador. O resultado se mede em quilos. Relatório divulgado recentemente pelo CDCs (Centro de Controle e Prevenção de Doenças) lança um novo e contundente alerta contra a epidemia de obesidade nos Estados Unidos.
Segundo a vigilância epidemiológica norte-americana, as mortes causadas pelo excesso de peso cresceram na década de 90 quatro vezes mais rápido do que as provocadas pelo tabagismo. A obesidade está bem perto de se tornar a principal causa evitável de morte nos Estados Unidos, ultrapassando o fumo.
No Brasil, embora tudo que indique que a parcela da população acima do peso ainda não tenha chegado a 64% como nos EUA, não há dúvidas que seguimos na mesma trilha insalubre. Assim como o fumo, a obesidade e o sedentarismo se associam, em maior ou menor grau, às três principais causas de morte.
(Folha de S. Paulo. 11 de março de 2004. Opinião. Fragmento.)
Analisando relações léxico-gramaticais de sentido expressas no Texto 2, podemos perceber que:
Provas
Questão presente nas seguintes provas
Cadernos
Caderno Container