Foram encontradas 60 questões.
Qual das lâmpadas elétricas a seguir não utiliza reator no seu circuito elétrico externo ou no próprio conjunto da lâmpada?
Provas
Para a questão, considere os seguintes dados:
Uma instalação industrial com potência instalada de 750 kW que, durante um mês, consome de energia 219000 kWh, e sua demanda máxima é 500 kW.
Calcule o fator de demanda da instalação industrial descrita.
Provas
Para a questão, considere os seguintes dados:
Uma instalação industrial com potência instalada de 750 kW que, durante um mês, consome de energia 219000 kWh, e sua demanda máxima é 500 kW.
Calcule o fator de carga da instalação industrial descrita.
Provas
Acerca do motor síncrono, é correto afirmar:
Provas
A máquina síncrona trifásica, operando como motor, é alimentada de que forma?
Provas
Calcule a tensão gerada, na armadura de uma máquina de corrente contínua, com enrolamento de armadura de 4 polos, 804 condutores ativos, e 4 condutores em paralelo, girando a 1800 rpm. Considere o fluxo por polo de 20 mWb.
Provas
Sobre as máquinas elétricas, é correto afirmar:
Provas
Uma característica que todo equipamento de medição de grandeza elétrica deve ter é medir sem interferir no processo. Por isso:
Provas
Para observar a forma de onda de um sinal tensão, é necessário utilizar o seguinte equipamento:
Provas
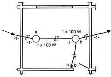
Considere a planta da instalação elétrica, mostrada na Figura 5 abaixo.

Figura 5: Planta da questão
A planta da instalação elétrica mostrada na Figura 5 corresponde ao esquema de:
Provas
Caderno Container