Foram encontradas 50 questões.
De acordo com a norma regulamentadora NR 10 – SEGURANÇA EM INSTALAÇÕES E SERVIÇOS DE ELETRICIDADE, marque a opção que apresenta a sequência CORRETA de procedimentos para reenergização de instalações elétricas desenergizadas.
(1) Remoção do aterramento temporário, da equipotencialização e das proteções adicionais;
(2) Remoção da sinalização de impedimento de reenergização;
(3) Retirada da zona controlada de todos os trabalhadores não envolvidos no processo de reenergização;
(4) Retirada das ferramentas, utensílios e equipamentos;
(5) Destravamento, se houver, e religação dos dispositivos de seccionamento.
Provas
Provas
Marque a opção que apresenta a valor CORRETO da altura do bloco B, medida de forma indireta através de relógio comparador, utilizando um bloco padrão de 12,00 mm, como mostrado na figura a seguir:

Provas
A figura a seguir apresenta quatro símbolos de tolerância geométrica. Marque a opção que associa CORRETAMENTE cada símbolo ao tipo de tolerância a que ele pertence.

Provas
A Figura a seguir apresenta o esquema de alguns tipos de válvulas direcionais utilizadas em automação hidráulica industrial. Quanto à posição central, marque a opção que apresenta a identificação CORRETA destas válvulas.

Provas
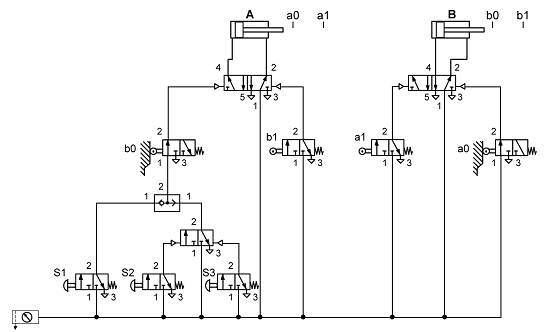
Sobre o circuito pneumático mostrado na figura abaixo, assinale a alternativa CORRETA.

Provas
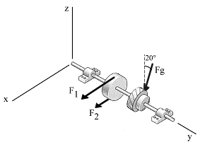
A Figura a seguir apresenta um eixo no qual estão montados uma polia e uma engrenagem helicoidal. Na polia, as forças F1 e F2 são paralelas ao eixo x e F1 > F2. A linha de ação da força Fg, sobre a engrenagem, é paralela ao plano xz e forma um ângulo de 20° com a vertical. Sobre este sistema mecânico, analise os itens a seguir e marque a opção CORRETA.

I. Por ter apenas componentes radial e tangencial, a força Fg não produz carregamento axial no eixo;
II. A polia produz um momento fletor no eixo no mesmo plano do momento fletor gerado pelo carregamento tangencial na engrenagem;
III. A torção no eixo é gerada pelos carregamentos na engrenagem e na polia.
Provas
Provas
Provas
Provas
Caderno Container