Foram encontradas 50 questões.
- Proteção de Sistemas ElétricosDispositivos de Proteção
- Proteção de Sistemas ElétricosProteção de Máquinas Elétricas, Barramentos e Linhas
Para proteção de motores de indução, utiliza-se o fusível em cada fase de alimentação para proteção contra:
Provas
- Transformadores e Máquinas ElétricasPrincípios BásicosPerdas, rendimento, torque, potência, ângulo de potência e funcionamento geral
Ao se tentar fazer o isolamento elétrico utilizando um transformador, deve-se ter em mente que este pode não isolar perfeitamente nas freqüências mais altas, devido:
Provas
- Proteção de Sistemas ElétricosDispositivos de Proteção
- Proteção de Sistemas ElétricosProteção de Máquinas Elétricas, Barramentos e Linhas
Para proteção de motores de indução utiliza-se o relé térmico para proteção contra:
Provas
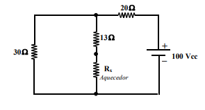
Para a fabricação de determinado medicamento, existe a necessidade do aquecimento de uma substância química. No laboratório, é utilizado o circuito da figura abaixo como aquecedor. Considerando que não existe nenhuma limitação do valor da corrente que circula pelas resistências, determine o valor da resistência Rx do aquecedor para que ocorra a máxima dissipação de potência por essa resistência.

Provas
Durante determinada medição, três sinais senoidais de corrente são obtidos conforme apresentado na figura abaixo. Sabendo-se que o valor eficaz da corrente ia e da corrente ic é igual a 2 A(rms) e que a amplitude da corrente ib é metade da amplitude de ia. A partir dos sinais obtidos, assinale a alternativa correta.

Provas
O LASER é um transdutor em que energia elétrica é transformada em luz altamente colimada e coerente. O LASER de CO2 é utilizado para coagular vasos sangüíneos. Qual é o princípio da ação do LASER sobre os vasos sangüíneos?
Provas
A impedância acústica (Z) é definida como sendo o produto entre a densidade (ρ) e a velocidade do som (c) no meio. A velocidade do som é a raiz quadrada da razão entre o módulo de elasticidade (E) e a densidade (ρ). Um transdutor acústico de impedância igual a aproximadamente 30,0x106kg/m2/s está sendo utilizado para obter sinal de ultra-sonografia, sendo necessária a utilização de uma camada de gel para casar a impedância. Se a densidade do músculo é de aproximadamente 1,0x103kg/m3 e sua impedância acústica é da ordem de 1,5x106kg/m2/s, calcule qual deve ser o valor da impedância a ser colocada entre o transdutor e o músculo para que haja casamento. Considere que a impedância de casamento é aproximadamente a raiz quadrada do produto entre as impedâncias a serem casadas.
Provas
O sensor piezoresistivo pode ser utilizado em sistemas de medição de pressão em corações artificiais e outros equipamentos de auxílio ao coração. Com relação a esse sensor, assinale a alternativa correta.
Provas
Para se medir a temperatura de um paciente, pode-se utilizar um termistor. São características desse sensor:
Provas
Os sensores fisiológicos podem ser classificados em ativos e passivos. Exemplo de um sensor ativo é:
Provas
Caderno Container